Share on (1600899935041):
cng compressor full set
what's the scope supply of the YUAN JU compressor
the compressor pacakage include: bare compressor, skid, buffer tank, cooler, control cabinet.
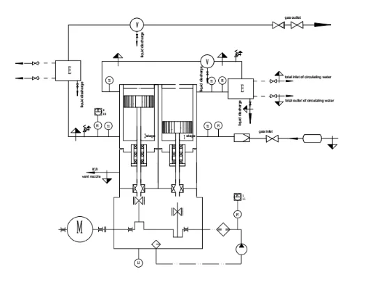
what's the flow chart of YUAN JU V type compressor?
what's the structure of the bare compressor?

compressor photos

the making process of a compressor package?
what's the specification of YUAN JU compressor
Gas compressor | Outlet pressure | flow | Cool way | Compressor type | voltage |
Oxygen compressor | 1-3625 psi | 1cfd-10mmcfd | Air,water | L.Z,D,M,V | 220v,380v,460v,400v,415v |
Nitrogen compressor | 1-3625 psi | 1cfd-10mmcfd | Air,water | L.Z,D,M,V | 220v,380v,460v,400v,415v |
Hydrogen compressor | 1-3625 psi | 1cfd-10mmcfd | Air,water | L.Z,D,M,V | 220v,380v,460v,400v,415v |
CO2 compressor | 1-3625 psi | 1cfd-10mmcfd | Air,water | L.Z,D,M,V | 220v,380v,460v,400v,415v |
Ch4 compressor | 1-3625 psi | 1cfd-10mmcfd | Air,water | V,D,M, | 220v,380v,460v,400v,415v |
Ammonia compressor | 1-3625 psi | 1cfd-10mmcfd | Air,water | V,D,M, | 220v,380v,460v,400v,415v |
Argon compressor | 1-3625 psi | 1cfd-10mmcfd | Air,water | L.Z,D,M,V | 220v,380v,460v,400v,415v |
Acetylene compressor | 1-3625 psi | 1cfd-10mmcfd | Air,water | L.Z,D,M,V | 220v,380v,460v,400v,415v |
Air compressor | 1-3625 psi | 1cfd-10mmcfd | Air,water | L.Z,D,M, | 220v,380v,460v,400v,415v |
NO compressor | 1-3625 psi | 1cfd-10mmcfd | Air,water | L.Z,D,M,V | 220v,380v,460v,400v,415v |
N02 compressor | 1-3625 psi | 1cfd-10mmcfd | Air,water | L.Z,D,M,V
| 220v,380v,460v,400v,415v |
packing and shipping

our certification

our after-service engineer team

please send us your requests, our engineer team will specially design the compressor for you.
New products from manufacturers at wholesale prices