Share on (1600902138392):
Product name | Babbitt alloy |
Grade | B83,B16 or other grades |
specification | 2.8kg/ingot |
Packing | 25kg/carton |
Application | Babbitt alloys are mainly used in bearing bushes, bearings, bushings and bushings of large mechanical spindles. Such as: cement machinery, steel machinery, chemical machinery, paper machinery, petroleum machinery, marine machinery, compression machinery, coal mining machinery, mineral processing equipment, etc., can also be used in large machine tools to replace brass, the effect is also very good. |
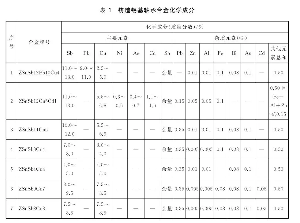
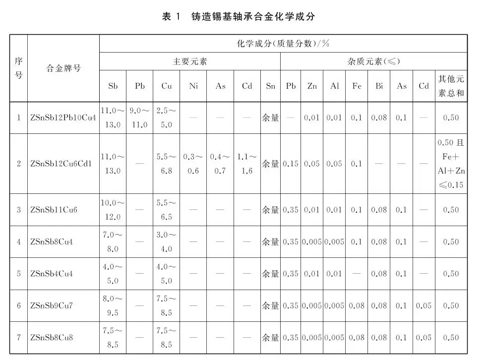
Babbit B83(%) | ||||||||||||||||
Sn | Sb | Cu | Fe | AI | As | Pb | Zn | Bi | ||||||||
80-84.5 | 10-12 | 5.5-6.5 | 0.1max | 0.005max | 0.05max | 0.35max | 0.004max | 0.05max | ||||||||
Babbit B16 | ||||||||||||||||
Sn | Sb | Cu | Fe | AI | As | Pb | Zn | Bi | ||||||||
15-17 | 15-17 | 1.5-2 | 0.1max | 0.01max | 0.05max | Rem | 0.015max | 0.1max | ||||||||
Quality | Full, Bright Welding Spots, High Reliability, very Clean without residual Impurities, less oxide |
Compatibility | For Automatic Soldering Machine, Fast Welding Speed, very Smooth |
Performance | No Cleaning, Insulation Resistance Meets IPC-TM-650 International Standard |
Application | Military Industry, Precision Electronic Instruments, Precision Medical Instruments, High-End Electronic Products, Automotive Electronics and other Products of Manual Dip Welding and Wave Soldering |
Commitment | Use 100% Raw Materials (Lead content<100PPM), Eliminate the use of Waste Materials(Lead content>100PPM) |






















New products from manufacturers at wholesale prices