Share on (1600908211389):
Lab scale essential oil co2 lavande supercritical fluid extraction machine for essential oil with ASME

Description:
The technology of SFE(Supercritical Fluid Extraction) is a new subject from Modern Chemicals Industries, which is one of the advanced Separation Technology. As for SCF(Supercritical Fluid), it is was that fluid on Critical Point(Pc, Tc) under Thermodynamic State, the Critical Point is the state point when interface of Gas and Liquid disappear, which process very novel physical& chemical characters. It density degree close to liquid, viscosity degree close to gas, but bigger diffusion coefficient &dielectric constant, smaller viscosity etc. these characters have contributed to good separation effects. So the SFE is mainly about Separation, the solution will touch with extracted materials under High Pressure& Suitable Temperature, the Solutes would be diffused into the solution, then change the operation Conditions, to make the Solutes separate out.
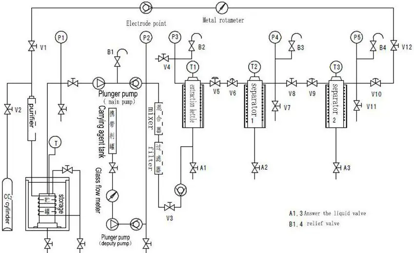
Flow Chart

Technical Parameters:
Type 1 | Spec. | Composite Structure |
SFE120-50-01 | 1L/50Mpa | one extracting pot-two separating pot |
SFE120-50-02 | 2L/50Mpa | one extracting pot-two separating pot |
SFE120-50-05 | 5L/50Mpa | one extracting pot-two separating pot |
SFE120-50-06 | 1L+5L/50Mpa | two extracting pot-two separating pot |
SFE120-50-11 | 1L+10L/40Mpa | two extracting pot-two separating pot |
SFE120-50-20 | 10L+10L/40Mpa | two extracting pot-two separating pot |
SFE120-40-24 | 24L/40Mpa | one extracting pot-two separating pots |
SFE120-40-48 | 24L+24L/40Mpa | two extracting pot-two separating pot |
SFE420-50-96 | (24+24)*2L/40Mpa | four extracting pot-two separating pot |
SFE420-40-200 | (50+50)*2L/40Mpa | four extracting pot-two separating pot |
SFE420-40-200 | 100L*100L/40Mpa | two extracting pot-two separating pot |
Remark: the above model can add therectifyingcolumn. | ||
Details picture:

Packing picture:

Our factory:

Essential oil sample

1.How can ourmachinematch client demandwell?
Wewill send your the video or some question to confirmyourdemand. if the machine is suitable for you,we will make a detail project for you. You can send us sample to us and we will take a video for you. Or we also welcome you take the sample by yourself to our factory to see the machine effect.
2.We area factory or a trading company?
We are the manufacturer, and have been in industry for more than20years.Welcome to visit us.
3.How about thepayment way?
You can pay byT/Tor LC,or by Alibaba`s trade assurance service, or by the West Union, or in cash.
4.Howtothe machine's quality afterbuyerput the order?
Before the delivery,we will test the machine. When we make sure it run faultlessly,we will send you machine's pictures and videos. Or You can come to us to check by yourself, or by the third party in
spection organization contacted by your side.
5.Worry uswon't deliver the machine afteryou pay the cost.
We are the VIP member in ALIBABA.Please note our above business license and certificates. And if you don't trust us, you can use Alibaba's trade assurance service or by LC.
6. Why chooseus?
1) Wehave been engaged in the manufacturingforover30years, and we cannot only supply you the single machine, but also can supply you the full line.

New products from manufacturers at wholesale prices