Share on (1600909460020):
G-NiceRF 2.4GHz Embedded UART Beacon Module Beacon600 Adopts BLE Protocol beacon uart module



Beacon600 is the latest 2.4GHz beacon module which is compatible with BLE. This module integrates the MCU and process the SPI protocol. It provides generic UART interface, users can connect the module with smart phone with BLE. This module has the same structure of BLE, and works as Broadcast mode of Bluetooth. It is easier and cost-effective compare with Bluetooth.
1. Beacon module adopts Ble protocol, which can communicate with BLE module and smart mobile phone,
2. Farther than BLE distance,
3. Broadcast communication can be peer to pear, many-to-many, and there is no limit on the number.
4. Uart interface with MCU on board,transparent transmission. no need to debug and firmwaer writing
Features of Beacon Module Beacon600
Applications of Beacon Module Beacon600
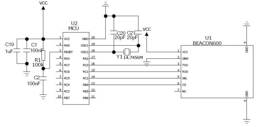
Typical application circuit

Electrical Specification

Typical application circuit

Pin Definition

Pin NO. | Pin name | Description |
1 | VCC | Connected to the positive power supply (typical 5V) |
2 | GND | Connected to ground |
3 | TXD | TXD of the module and connect to external RXD |
4 | RXD | RXD of the module and connect to external TXD |
5 | SET | Configuration mode enable (low to enter into the setting mode, leave open or connect high level to exit setting mode) Valid when CS Pin is high or leave open. |
6 | CS | Module working Enable(Low level for sleep, current will be less than 40uA, default high level). |
7 | NC |
|
8 | GND | Connected to ground |
9 | GND | Connected to ground |
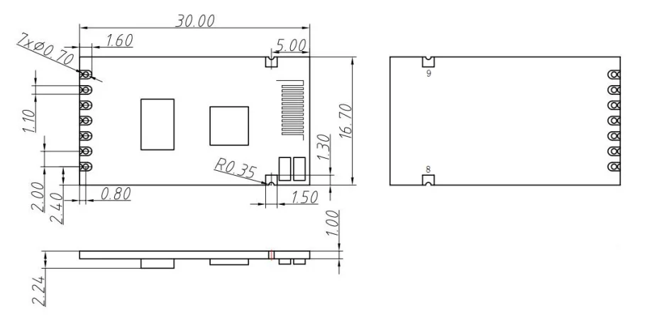
Machinism Dimensions

NiceRF is a technical company which engaged in researching, developing, producing and selling IOT(internet of things) products.We devoted ourselves on providing good RF modules, walkie talkie modules and integrated digital sensor modules. Meanwhile, ODM and OEM projects are welcomed.With more than 10 years experience of product design in RF and sensors, we have earned a good reputation among our customers.





Q: Are you a manufacturer or a trading company?
A: We are a manufacturer with our own R&D team, and all of our products are developed in-house.
Q: Do you offer technology support?
A: Yes, we provide technology support and ODM & OEM services.
Q: Do you provide samples?
A: Yes, we offer paid samples and can send out the package promptly.
Please leave positive feedback and a 5-star rating if you are happy with our products and services.
If you encounter any issues, please reach out to us before leaving negative feedback.
We will strive to resolve any problems and provide excellent customer service.
If you need further assistance, feel free to contact us.
New products from manufacturers at wholesale prices