Share on (1600917859848):







Model | BT-2018A | ||||||
Product size | 45cm×29cm×7cm | ||||||
Combination quantity | 20 units/cabinet, equipped with fixture trays | ||||||
Box Structure | The panel is made of pure aluminum material and has a surface sandblasting treatment process | ||||||
Indicator light | The design of the colorful light circle (charging in red, discharging in green, resting in orange, testing in white, protection in yellow, etc.) is consistent with the color of the control software status information | ||||||
Input power supply | single-phaseAC 220V ±10% / 50Hz;25W | ||||||
AC impedance | ≥10MΩ | ||||||
Voltage | Voltage range | Charging voltage: 0V-5V; Discharge voltage: -5V | |||||
Voltage accuracy | Actual control accuracy: ± 0.02% of FS; Stability: ± 0.02% of FS | ||||||
Constant voltage cutoff current | ≤5uA | ||||||
Automatic switching | Measurement program 1: 0.5uA-0.1mA(±0.02% of FS) | ||||||
Measurement program 2: 0.1mA-1mA(±0.02% of FS) | |||||||
Measurement program 3: 1mA-10mA(±0.02% of FS) | |||||||
Measurement program 4: 10mA-100mA(±0.02% of FS) | |||||||
Current accuracy | Actual control accuracy: ± 0.02% of FS; Stability: ± 0.02% of FS | ||||||
Charging mode | Constant current charging/constant voltage charging/rate charging/constant power charging/constant voltage current limiting charging/pulse charging | ||||||
Discharge mode | Constant current discharge/constant voltage discharge/constant resistance discharge/rate discharge/constant power discharge/constant voltage current limiting discharge/pulse discharge | ||||||
Restrictions | Voltage, current, relative time, capacity, - △ V, rate current, capacity statistics C1, time statistics T1, counter N1, counter N2 | ||||||
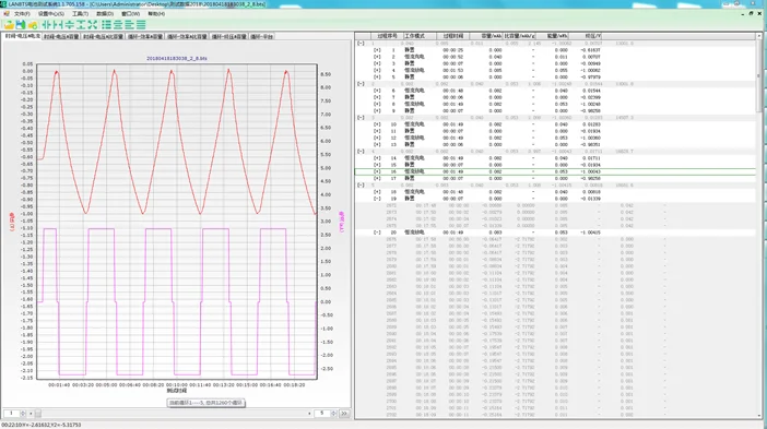
Record | Record conditions | Time variation △ t: 50ms --3600S Voltage change △ U: 0.001mV --5V Current variation △ I: 0.001mA-100mA | |||||
Recording frequency | Maximum recording frequency 20Hz | ||||||
Test event recording | Event records such as operation, stop, protection information, parameter reset, channel change, online calibration, etc | ||||||
Test Plan Characteristics | Scheme script independence (can be copied, created, modified, deleted, etc.), loop control, data analysis, centralized database management, real-time curve and curve comparison, etc | ||||||
Step Editing Properties | Based on the operation mode, intelligently judge the logical relationship, prompt for incorrect operation, and automatically fill in the main parameters and cut-off condition parameters, which can also be manually modified | ||||||
DCIR testing | Supports fixed-point calculation of DCIR | ||||||
Data export | Exportable to Excel, TXT, graphics | ||||||








New products from manufacturers at wholesale prices