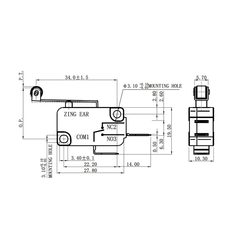
25T125 Temperature Max 16A Mechanical Roller Lever Micro Limit Switch Joystick

Share on (1600920012083):


Price:

Quantity:


Product Overview

Description



0.1905 s.