Share on (1600922953892):
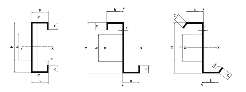
item | c channel steel/c purlins |
Description | C channel is made of galvanized steel strips by the method of cold-bending formed. |
Surface | BLACK; GALVANIZED |
Web Thickness | Customer's requirements |
Standard | AiSi ASTM bs DIN GB JIS EN,etc |
Length | as customer' s requirement |
Application | Mechanical, manufacture, Steel structure,Shipbuilding, Bridging ect |










New products from manufacturers at wholesale prices