Share on (1600929368286):
VR
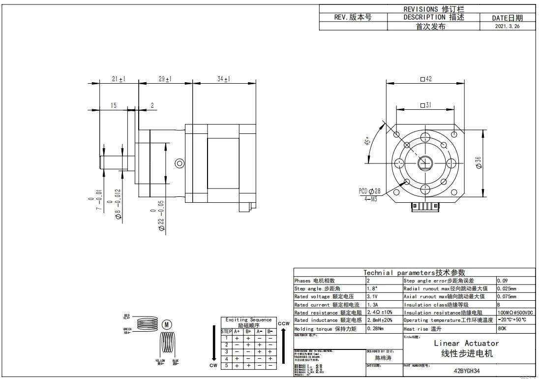
Product name | 17HS3401S-PG | Motor length | 34MM | |
Material | Steel | electric current | 1.3A | |
Hold torque | 28N.cm | Ratio | 51-1/71-1/100-1/139-1 | |
Size | 42*42*34MM | Lead wrie | 4 | |
Color | black | Weight | 220g |













New products from manufacturers at wholesale prices