Share on (1600938569372):
- Serves for monitoring of heating in rail-switches, heating cables, consumption of one-phase motors, indicates current flow.
- Adjustable delay 0.5-10 s to eliminate short current peaks.
- Flexible adjustment by potentiometer. choice of 6 ranges:
AC 0.05-0.5A; AC 0.1-1A; AC 0.2-2A; AC 0.5-5A; AC 0.8-8A; AC 1.6-16A
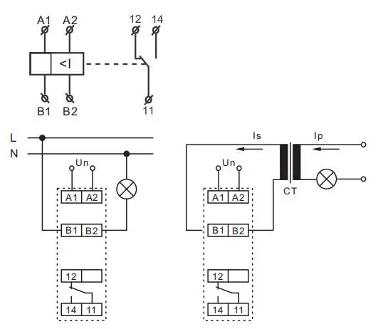
- Possible to use for current scanning from current transformer.
- Universal supply AC 24-240 V and DC 24 V.
- Relay status is indicated by LED.
- 1-MODULE.DIN rail mounting.

| Technical parameters | RI8-01 |
| Function | Monitoring current |
| Supply terminals | A1-A2 |
| Rated supply voltage | AC 24V-240V or DC 24V |
| Rated supply frequency | 50/60Hz |
| Burden | max.1.5VA |
| Supply voltage tolerance | -15%;+10% |
| Current range | 0.5A,1A,2A,5A,8A,16A |
| Time setting | potentionmeter |
| Time delay | adjustable 0.5-10s |
| supply indication | green LED |
| Setting accuracy | 5% |
| Repeat accuracy | <1% |
| Temperature dependancy | <0.1 %/℃ |
| Limit values tolerance | 5 %(10% for 0.05-0.5A range) |
| Hysteresis | 5% |
| Limit values tolerance | 0.05%/℃.at=20℃(0.05%℉, at=68℉) |
| Output | 1×SPDT |
| Current rating | 10A/AC1 |
| Switching voltage | 250VAC/24VDC |
| Min.breaking capacity DC | 500mW |
| Output indication | red LED |
| Mechanical life | 1×107 |
| Electrical life(AC1) | 1×106 |
| Operating temperrature | -20℃ to +55℃(-4℉ to 131℉) |
| Storage temperature | -35℃ to +75℃(-22℉ to 158℉) |
| Mounting/DIN rail | Din rail EN/IEC 60715 |
| Protecting degree | IP40 for front panel /IP20 terminals |
| Operating position | any |
| Overvoltage category | Ⅲ. |
| Pollution degree | 2 |
| Max.cable size(mm²) | soild wire max.1×2.5 or 2×1.5/with sleeve max.1×2.5(AWG 12) |
| Dimensions | 90×18×64mm |
| Weight | 62g |
| Standards | IEC/EN 62055-1,IEC/EN61010-1 |
Functions Diagram

Wiring Diagram


New products from manufacturers at wholesale prices