Share on (1600941507250):








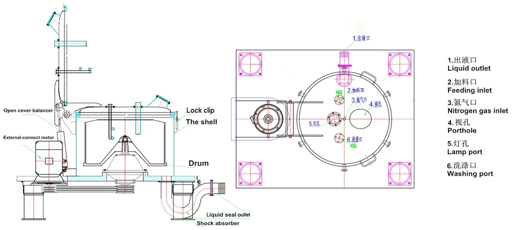
PS series flat filtration centrifuge's bowl is based parts,external-coupled motor drives the belt and the bowl rotate at high speed to form a centrifugal force field.Suspension liquid flow into the bowl from the top of the feeding tube, under the action of centrifugal force, threw to the drum wall,then into the inter-layer between shell and bowl through the filter holes in the bowl. Next,threw into the liquid collection chamber at the bottom of machine,discharged by the drain pipe,and solid phase retained the bowl.For washing,the washing water through the washing tube to wash,solid phase is discharged from the top by hand. |















New products from manufacturers at wholesale prices