Professional Supplier Car Brake Disc Aligner Brake Lathe Disc Aligner Bicycle Disc Brake Tool Spacer Rotor Alignment

Share on (1600943455733):


Price:$666.00

Quantity:


Product Overview

Description


 


Product Description

Product Description









 


Specification

Specification



































































Brake disc rumout:


<0.005mm


year of constructions


220v/110v


 brake disc thickness variation


0.005-0.01mm


brake disc surface roughness


ra 1.5-2


Warranty


18Months


Max. diameter of brake disc


380mm


Max. brake disc thickness


42mm


adjustment knob accuracy


<0.02mm~<0.01mm


feed rate


8.5mm/min


electrical specfications


220v/110v/50hz/60hz


net weight


7.3kg


drive speed


98rpm


working height min max


1/1.25m


ambient temperature


20-40


turning accuracy


<0.005mm









What Leads to Brake Juddering?

1.Botor run-out is often caused by debris being caught between the new rotor and the old wheel hub, or by improperly torqued the
wheels,which can bend the hub, rotor and wheel. There is always a chance that excessive heat built up from heavy braking without
sufficent time for the system components down.
2.Rotor run out can be measure by using a dial indicator , typically it should not exceed 1.01cm. Rotor thickness variation is a
condition that the two sides of the rotor not being parallel to each other. This can be caused by uneven wear, crushing of rotors
by the brake, or simply developed over time from a combination of forces. This problem is normally felt in the brake pedal by its
pushing back with a rhythm consistent with the current wheel speed.
Advantage of on-the-car Brake disc lathe
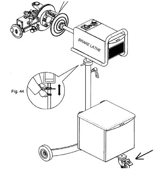
1. Easy install-Fast and easy operation, save time and money
2. Accuracy- Rigid mounting and precision tool holders eliminate flexing for maximum accuracy.
3. Quality & Speak- Provides a consistently superior on-the-car finish
4. Lateral Runout Eliminated- Simultaneously maching both sides of the rotor parallelly, eliminates all run out problems.
5. Convenience-Fully adjustable stand, storage drawer, emergency stop switch, heavy-duty locking caster.
6. Compatibility- Fits majority of all cars and approved by all large automobile manufactures and serving chains.






 

  






 






0.1467 s.