Share on (1600969449491):




Arc tooth industrial rubber timing belt | ||||||||||||
Gear code | STPD/STS | |||||||||||
Type | S2M | S3M | S4.5M | S5M | S8M | S14M | ||||||
Picth | 2 | 3 | 4.5 | 5 | 8 | 14 | ||||||
Tooth height | 0.76 | 1.14 | 1.71 | 1.91 | 3.05 | 5.3 | ||||||
belt thickness | 1.36 | 1.9 | 2.81 | 3.4 | 5.3 | 10.2 | ||||||
Gear code | RPP/HPPD | |||||||||||
Type | RPP2M | RPP3M | RPP5M | RPP8M | RPP14M | |||||||
Pitch | 2 | 3 | 5 | 8 | 14 | |||||||
Tooth height | 0.76 | 1.15 | 1.95 | 3.2 | 6.00 | |||||||
belt thickness | 1.36 | 1.9 | 3.5 | 5.5 | 10 | |||||||
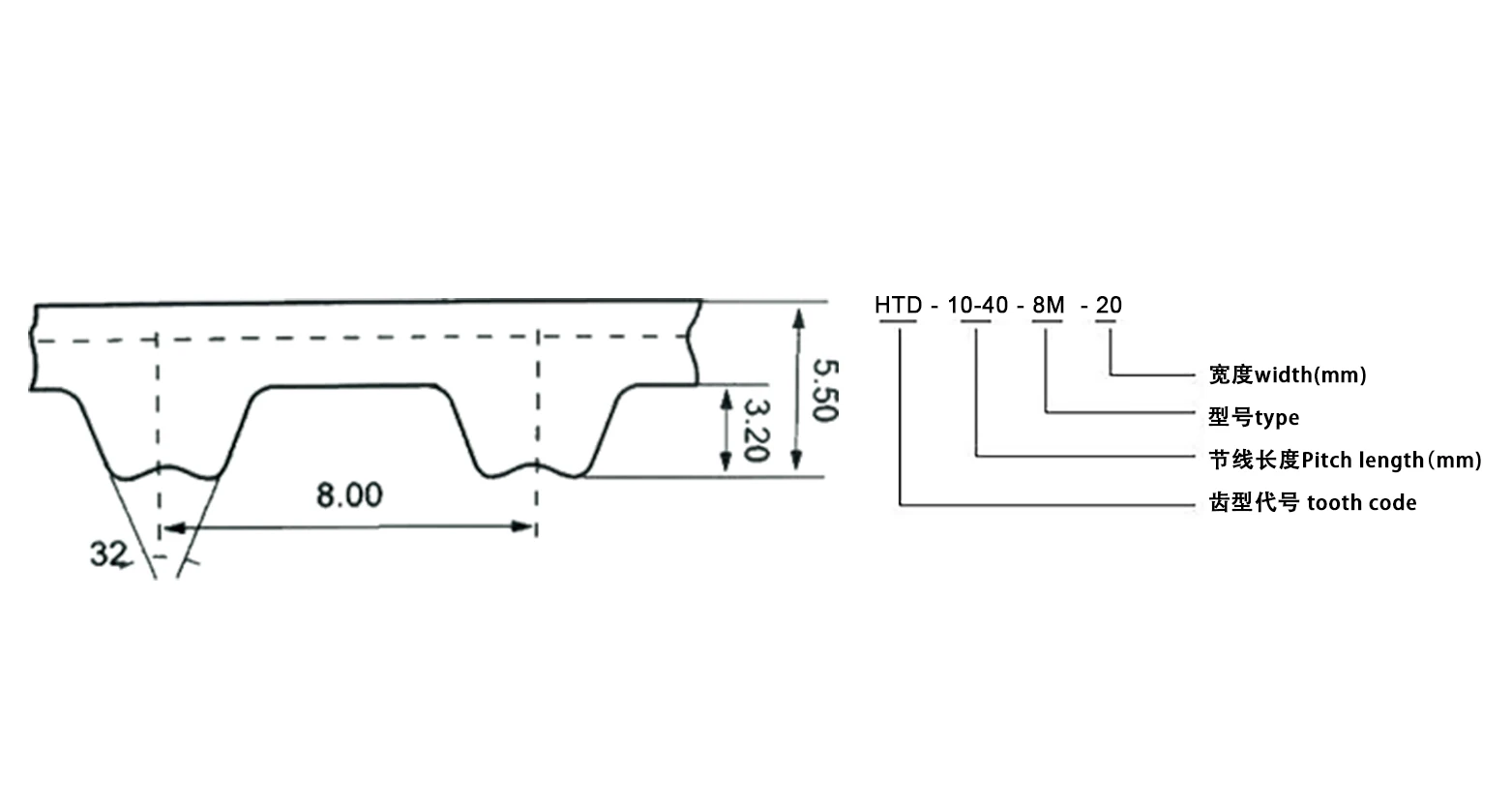
Gear code | HTD | |||||||||||
Type | 3M | 5M | 8M | 14M | 20M | |||||||
Pitch | 3 | 5 | 8 | 14 | 20 | |||||||
Tooth height | 1.17 | 2.06 | 3.36 | 6.02 | 8.4 | |||||||
belt thickness | 2.4 | 3.8 | 6 | 10 | 13.2 | |||||||
Type industrial rubber timing belt | ||||||||||||||
Type | MXL | XXL | XL | L | H | XH | XXH | |||||||
Picth | 2.032 | 3.175 | 5.080 | 9.525 | 12.70 | 22.225 | 31.750 | |||||||
Tooth height | 0.51 | 0.76 | 1.27 | 1.91 | 2.29 | 6.35 | 9.53 | |||||||
Belt thinkness | 1.14 | 1.52 | 3.36 | 6.02 | 8.4 | 11.20 | 15.70 | |||||||
Type | T2.5 | T5 | T10 | T20 | AT5 | AT10 | AT20 | |||||||
Picth | 2.5 | 5 | 10 | 20 | 5 | 10 | 20 | |||||||
Tooth height | 0.7 | 1.20 | 2.50 | 5.00 | 1.20 | 2.50 | 5.00 | |||||||
Belt thinkness | 1.30 | 2.20 | 4.50 | 8.00 | 2.70 | 5.00 | 8.00 | |||||||



















New products from manufacturers at wholesale prices