Share on (1600969764920):
How to choose a suitable electric motor for your application? | voltage | |||||||
First check the voltage(V) of power supply for the motor,speed(rpm) and torque(N.m or kg.cm) needed ,they are basic performance need to know, to decide any gearbox is necessary or not.then we also need to consider the size(or mounting space),shape of the motor. then we need to consider the other factors,such as speed control,positioning function, motion accurate are required or not, cost down,Energy saving,gear self-lock, machine noise,structure and other performance...you may contact us to get more help,we are glad to :). | ||||||||
Brush DC motor | Brushless DC Motor | Stepper Motor | Servo Motor(AC/DC) | AC induction Motor | ||||
Cheap/easy speed regulated/no need driver if no need speed control | Maintenance-free/Long life time and high efficiency,need driver | Precision positioning/1.8°per step need driver | Excellent dynamic performance/High speed and precision control need driver(controller) | Simply structure,AC input/no need driver if no need speed control | ||||
Gearbox is necessary when big torque and slow speed is needed. Gearbox Output speed = motor speed / ratio of gearbox Gearbox output torque = motor torque * ratio of gearbox * efficiency | ||||||||
Encoders and Electromagnetic brake are optional for these motors,as well the shaft (axis,axle)shape,length are Customizable to meet special application. | ||||||||




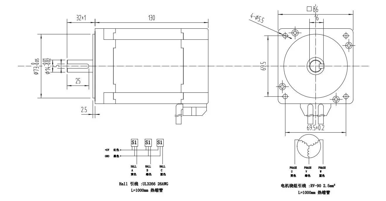
Model No. | Rated voltage (V) | No load Speed (rpm) | No load Current (A) | Rated Speed (rpm) | Rated Torque (N.m) | Rated Current (A) | Stall Torque (N.m) | Stall Current (A) | Rated Power (Watt) |
BLF86110 | 48 | 3000 | 2 | 3000 | 2.5 | 20 | 4 | 40 | 750 |
BLF86160 | 310 | 3000 | 0.2 | 3000 | 2.7 | 3 | 5 | 40 | 800 |














New products from manufacturers at wholesale prices