Share on (1600976359810):

CAP-W302 Wireless pressure transmitter is a high precision, low power consumption radio transmission pressure measuring instrument. It adopts lithium battery power supply, IP65 waterproof cast aluminum shell, supports data recording and data replacement function, no wiring, no external power supply, saves the trouble of conventional instrument cable tray arrangement, and saves labor and construction cost, an ideal upgrade and replacement of the traditional pressure measuring instrument.



Technical Data
Item | CAP-W302 Wireless Level Sensor |
Measuring Range | Gauge:-100KPa~260MPa |
Accuracy | ±0.5%FS; ±0.2%FS; ±0.1%FS; |
Display | LCD/LED |
Power Supply | Built-in 3.6V lithium battery@38Ah |
Output signal | SWSN network |
Modulation Type | GFSK |
Frencency | 430/470MHZ |
Transmission distance | 1000m-5000m (wide spance) |
Data transmition | Send periodically and send between 1-255 seconds; |
Battery Life | Data is collected every second, and the battery lasts for one year at normal temp. |
Working environment | Temp. Range: -20℃~60℃; Humidity: <90% |
Explosive-proof Grade | ExdIICT6 (optional) |
Process Connection | Thread, Flange |
Cable Material | Stainless steel 316L |
IP Grade | IP65 (Junction box); IP68 (sensor) |
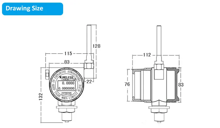
Dimension | 115(W)*210(H)*110(D)mm(without sensor part) |




Selection Code
CAP-W302 | Wireless Level Transmitter | |||||
Range | A | Gauge:-100KPa~260MPa | ||||
Accuracy | 01 | ±0.5FS% | ||||
02 | ±0.2FS% | |||||
Communication Mode | G1 | Lora | ||||
G2 | GPRS | |||||
G3 | Lorawan | |||||
Process Connection | T | Thread | ||||
F | Flange | |||||
Explosion-proof | N | Without Ex | ||||
D | ExdIICT6 | |||||
CAP-W302 wireless liquid level transmitter sensor inherits our company's original idea in low power consumption solution of deep integration of sampling and wireless transmission, realizing wide-area transmission distance, real-time data sampling and micro-power management of battery power. No need for external power supply and solar power supply system, only with the built-in battery of the instrument, the product achieved a breakthrough of 2-5 minutes sampling battery working time of more than one year, and increased the detection time of pipe network temperature, pressure, liquid level and other parameters from several hours to only a few minutes.






1. Q: Do you have a catalogue? Can you send me the catalogue to have a check of all your products?
A: Yes , We have product product list.Please contact us online or send an Email to sending the catalogue.
2. Q: I need your price list of all your products, do you have a price list ?
A: We do not have a price list of all of our products. Because we have so many items,and it’s impossible to mark all of their price on a list.And the price are always changing because of the producing cost.If you want to check any price of our products, please feel free to contact us.We will send offer to you soon!
3. Q: I can find the product on your catalogue, can you make this product for me?
A: Our catalogue shows most of our products,but not all.So just let us know what product do you need,and how many do you want.If we do not have it,we can also design and make a new mould to produce it.For your reference,making a ordinary mould will take about 30 days.
4. Q : Can you make customized products and customized packing?
A: Yes.We made a lot of customized products for our customer before.And we made many moulds for our customers alread.About customized packing,we can put your Logo or other info on the packing.There is no problem.Just have to point out that ,it will cause some additional cost.
5. Q: Can you provide samples ? Are the samples free ?
A:We offer paid sample,around 4-5days arrived your hand by DHL, UPS or EMS
6. Q: What kind of payment do you accept ? Can I pay RMB ?
A:Payment <=50000USD,100% in advance. Payment>=50000USD,50%T/T in advance,balance before shipment.Please be sure that we can receive the same amount of the Invoice. And you can pay money In RMB. No problem.
7. Q : How to ship my order ? Is it safe?
A: For small package, we will send it by Express, such as DHL,FedEx,,UPS,TNT,EMS.That’s a Door to Door service.
8. Q: Do you have a guarantee of your product quality?
A: We have a guarantee of one year.
9. Q: Can I become an Agent / Dealer of CIPPUS products?
A: Welcome! But please let me know your Country/Area first,We will have a check and then talk about this.If you want any other kind of cooperation,do not hesitate to contact us.
New products from manufacturers at wholesale prices