Share on (1600980298534):


Feature
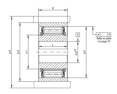
Internal Freewheels FXN are sprag freewheels without bearing support and with sprag lift-off
X. The sprag lift-off X ensures a wear-free free - wheeling operation when the inner ring rotates at high speed. The outer ring is pressed into the customer hous ing. This makes compact, space-saving fitting solutions possible. The freewheels FXN are used as:
Backstops
Overrunning Clutches
for applications with high speed freewheeling operation and when used as an overrunning
clutch with low speed driving operation. Nominal torques up to 20 500 Nm. The torque is
transmitted on the outer ring by press fit. Bores up to 130 mm. Many standard bores are
available.
Dimension and Capacity

Freewheel size | mm | mm | Bore d Standard mm mm
| mm | mm | max. mm | B mm
| D mm | F mm
| J mm
| K min. mm | L mm
| Weight kg | |
FXN31 - 17/60 | 20* |
|
|
|
|
| 20* | 25 | 60 P6 | 55 | 31 | 85 | 24 | 0,3 |
FXN31 - 17/62 | 20* |
|
|
|
|
| 20* | 25 | 62 P6 | 55 | 31 | 85 | 24 | 0,4 |
FXN38 - 17/70 | 25* |
|
|
|
|
| 25* | 25 | 70 P6 | 62 | 38 | 90 | 24 | 0,4 |
FXN46 - 25/80 | 25 |
|
|
|
|
| 30 | 35 | 80 P6 | 70 | 46 | 95 | 35 | 0,8 |
FXN51 - 25/85 | 25 | 30 | 35 |
|
|
| 36 | 35 | 85 P6 | 75 | 51 | 105 | 35 | 0,8 |
FXN56 - 25/90 | 35 |
|
|
|
|
| 40 | 35 | 90 P6 | 80 | 56 | 110 | 35 | 0,9 |
FXN61 - 19/95 | 30 | 35 | 40 |
|
|
| 45* | 26 | 95 P6 | 85 | 61 | 120 | 25 | 0,8 |
FXN61 - 19/106 | 30 | 35 | 40 |
|
|
| 45* | 25 | 106 H7 | 85 | 61 | 120 | 25 | 1,2 |
FXN66 - 25/100 | 35 | 40 | 45 |
|
|
| 48* | 30 | 100 P6 | 90 | 66 | 132 | 35 | 1,1 |
FXN66 - 25/110 | 35 | 40 | 45 |
|
|
| 48* | 40 | 110 P6 | 90 | 66 | 132 | 35 | 1,8 |
FXN76 - 25/115 | 45 | 55 |
|
|
|
| 60* | 40 | 115 P6 | 100 | 76 | 140 | 35 | 1,7 |
FXN76 - 25/120 | 45 | 55 |
|
|
|
| 60* | 32 | 120 J6 | 100 | 76 | 140 | 35 | 1,8 |
FXN86 - 25/125 | 40 | 45 | 50 | 60 | 65 |
| 70* | 40 | 125 P6 | 110 | 86 | 150 | 40 | 2,3 |
FXN86 - 25/130 | 40 | 45 | 50 | 60 | 65 |
| 70* | 40 | 130 P6 | 110 | 86 | 150 | 40 | 2,6 |
FXN 101 - 25/140 | 55 | 70 |
|
|
|
| 75 | 45 | 140 P6 | 125 | 101 | 175 | 50 | 3,1 |
FXN 101 - 25/149 | 70 |
|
|
|
|
| 75 | 62 | 149 H6 | 125 | 101 | 175 | 62 | 4,2 |
FXN 101 - 25/150 | 55 | 70 |
|
|
|
| 75 | 45 | 150 P6 | 125 | 101 | 175 | 50 | 3,6 |
FXN 85 - 40/140 | 45 | 50 | 60 | 65 |
|
| 65 | 45 | 140 P6 | 125 | 85 | 175 | 60 | 3,2 |
FXN 85 - 40/150 | 45 | 50 | 60 | 65 |
|
| 65 | 45 | 150 P6 | 125 | 85 | 175 | 60 | 4,2 |
FXN 100 - 40/160 | 45 | 50 | 55 | 60 | 70 | 75 | 75 | 50 | 160 P6 | 140 | 100 | 190 | 60 | 5,1 |
FXN 105 - 50/165 | 80 |
|
|
|
|
| 80 | 62 | 165 P6 | 145 | 105 | 195 | 62 | 5,8 |
FXN 120 - 50/198 | 60 | 65 | 70 | 75 | 80 | 95 | 95 | 70 | 198 H6 | 160 | 120 | 210 | 70 | 8,6 |
FXN 140 - 50/215 | 65 | 90 | 100 | 110 |
|
| 110 | 69 | 215 J6 | 180 | 140 | 245 | 70 | 14,0 |
FXN 170 - 63/258 | 70 | 85 | 100 | 120 |
|
| 130 | 80 | 258 H6 | 210 | 170 | 290 | 80 | 21,0 |








Q: Why do we choose your company?
A: Quality is the soul of an enterprise. We can provide you with good-quality one way clutches also with good price.
Q: What is the delivery time?
A: For small quality or samll size of clutches, we can deliver upon receiving advance.
For large quantity or large size, we have to produce 10-15 working days.
Q: Can you supply with sample clutch?
Of course! We can provide with a sample to your checking quality.
Q: What is the warranty period of the clutches?
One-year Guarantee.
New products from manufacturers at wholesale prices