Share on (1601001097015):
Item | Parameter |
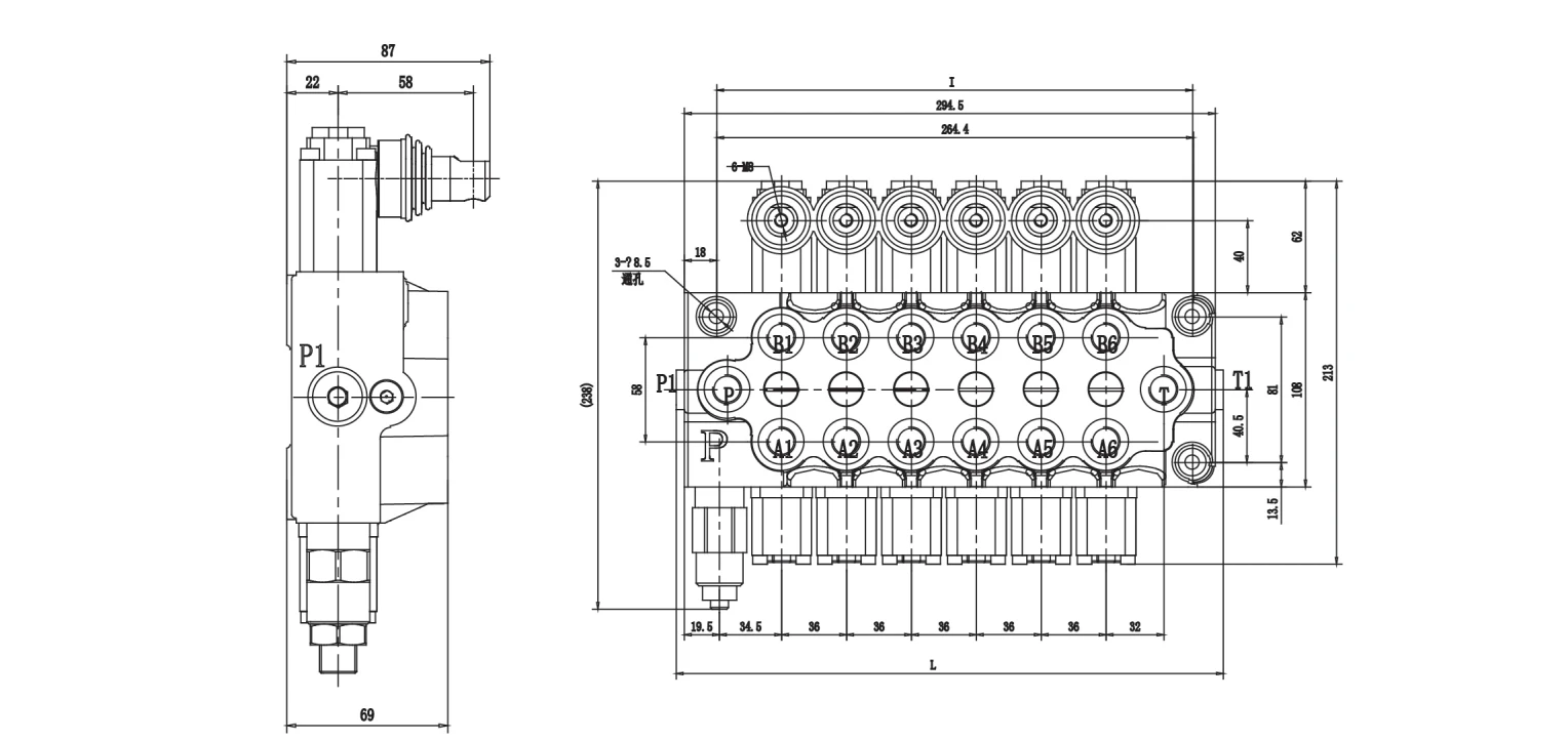
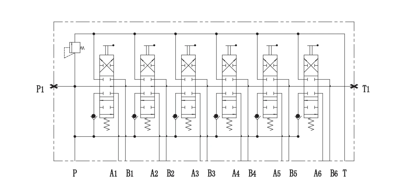
Model | TR55 Directional Control Valve |
Rated flow | 45 L/min (12 gpm) |
Operating Pressure | 315 bar (31.5 MPa) |
Viscosity Range | 12 CST-400 CST |
Operating Range | 15-75 mm²/s (15-75 CST) |
Ambient Temp | -40°C to +60°C (-40°F to +140°F) |
Valve Sections | Monoblock Valve 1-7 sections |
Valve Structure | Monoblock Valve |














New products from manufacturers at wholesale prices