Share on (1601005163052):


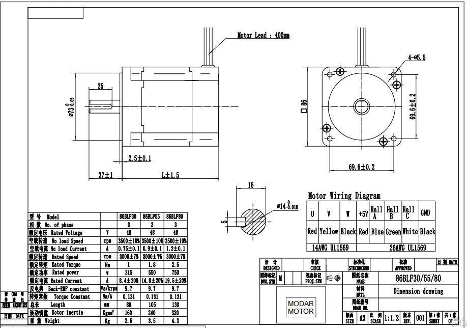
| Model | Voltage | speed | Torque | Current | Power | Peak Torque | Torque constant | V/kRPM | Rotor inertia | Body Length | Mass |
| 86BL80-430 | 48 | 3000 | 1 | 8.5 | 314 | 3 | 0.133 | 9.8 | 120 | 80 | 2.2 |
| 86BL90-430 | 48 | 3000 | 1.27 | 10.8 | 400 | 3.81 | 0.133 | 9.8 | 160 | 90 | 2.6 |
| 86BL105-430 | 48 | 3000 | 1.8 | 14.8 | 565 | 5.4 | 0.133 | 9.8 | 220 | 105 | 3.4 |
| 86BL115-430 | 48 | 3000 | 2.1 | 18 | 659 | 6.3 | 0.133 | 9.7 | 260 | 115 | 3.8 |
| 86BL130-430 | 48 | 3000 | 2.5 | 19.5 | 785 | 7.5 | 0.138 | 10.2 | 320 | 130 | 4.3 |
| 86BL130-630 | 310 | 3000 | 2.5 | 3.3 | 785 | 7.5 | 0.8 | 62 | 320 | 130 | 4.3 |








New products from manufacturers at wholesale prices