2024 Hearing Aid Wireless Hearing Aids Audio Processor E7160 DSP integrated circuit components for hearing aids

Share on (1601010427978):


Price:

Quantity:


Product Overview

Description



Product Description




Specification


item
value
Place of Origin
United States
Brand Name
ON
Model Number
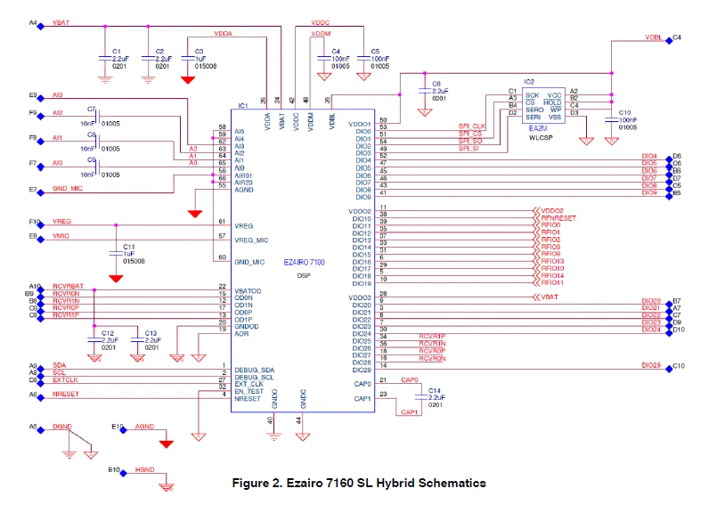
EZAIRO 7160 SL HYBRID
Product name
integrated circuit
Function
DSP


Packing & Delivery




Standard packing


Company Profile






Spieth(Xiamen) Technology Co., Ltd is professional supply and export a widely range of high quality medical, health care and laboratory products and services to customers all over the world. Such as medical hearing devices, medical consumable, homecare & devices. As a professional supplier in China, we focus on excellent quality, professional services and the competitive price in the global Market, based on the mission is endeavors to further improve products quality in order to improve user's life standard. Our products have Wide Varieties,Complete Specifications,Novelty Style,Reliable Quality, has pass CE and ISO certification and already export to USA, Australia, Italy, Germany, UK, U.A.E , Chile, Canada, Japan, Russia, Middle East and Africa countries. We supply clients with OEM or ODM as well. Welcome all Importers,wholesalers and hospital buyers to get in touch with us and have a good lasting cooperation together!


FAQ


1. who are we?
We are based in Fujian, China, start from 2016,sell to North America(18.00%),Southeast Asia(15.00%),Eastern Europe(15.00%),Oceania(15.00%),Mid East(12.50%),Africa(10.00%),Western Europe(3.00%),South Asia(2.50%),Northern Europe(2.00%),Domestic Market(2.00%),Eastern Asia(2.00%),Central America(1.00%),South America(1.00%),Southern Europe(1.00%). There are total about 51-100 people in our office.

2. how can we guarantee quality?
Always a pre-production sample before mass production;
Always final Inspection before shipment;

3.what can you buy from us?
Professional Medical Devices,Hearing Aid,Homecare & Devices,Medical Consumable,First Aid Kit

4. why should you buy from us not from other suppliers?
High quality and Cheap price. All of our products comply with ISO9001 & ISO13485 & CE13485 and many other certificates required by different countries.

5. what services can we provide?
Accepted Delivery Terms: FOB,CFR,CIF,EXW;
Accepted Payment Currency:USD;
Accepted Payment Type: L/C,PayPal;
Language Spoken:English


0.2125 s.