burner nozzle China factory Burner Parts gas kiln burner boiler Steel industries drying equipment brick kiln

Share on (1601025930994):


Price:$398.00

Quantity:


Product Overview

Description


 .jpg


.1.jpg


 


 


 


 (1).jpg


 


 (2).jpg


 


 (3).jpg


 


 


 4


 


 


 


1.png2.png3.png4.png5.png


 


 


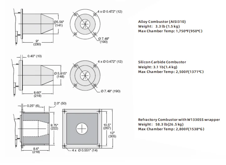
All information is based on laboratory testing in neutral (0 "w.c., 0 mbar) pressure chamber.

Difffferent chamber

• All information is based on standard combustor design. Changes in combustor will alter

performance and pressures.

• All inputs are calculated according to the high calorifific value of the fuel.

• Our company reserves the right to change the construction and/or confifiguration of our products

at any time without being obliged to adjust earlier supplies accordingly.

Plumbing of air and gas will affffect accuracy of orififice readings. All information is based on generally

acceptable air and gas piping practices.

.1.jpg


.jpg


 


.jpg


 


 


.jpg


.jpg


.2.jpg


 


 .jpg


 


 


 


 


17.jpg


0.1932 s.