Share on (1601030640576):


Automatically Anti Freezing -25C Mini EVI Heat Pump Split for DHW and Heating System
Model name :CGK/C-12(LIO)
Working mode :Heating and hot water
Max outlet hot water :60C
Air ambient :-25C to 45C
Cop:3.42
Gross weight/pc :130kg ,
1. Working air temperature range: -25C to 45C.
2. Max outlet water temperature: 60C
3. 3-way valve for hot water and floor heating controlling
4. Copeland Enhanced vapour injection (EVI) technology scroll compressor
5. R407C refrigerant
6. Linkage function of heat pump ON/OFF controlled by external controlling system
EVI air source heat pump (for DHW and/or house heating) is designed special for domestic hot water and house heating system in the market where lowest air temperature is above -25℃
Why it can work at -25℃?
Because of the Enhanced Vapor Injection (EVI) technology from Copeland compressor, SPRSUN designed EVI gas piping system and controlling system, make EVI air source heat pump can work stably in the low temperature condition.
Indoor unit standby anti-freeze protection
Split model design to better avoid freezing problem , Automatic anti-freeze protection by detecting system water temperature .
Application:
Residential house, hotel , school , factory and public building to providing hot water and house heating.
Specifications
Rated Working Condition: dry bulb temp: 20℃, wet-bulb temp: 15℃, cool water temp: 15℃; hot water temp: 55℃.

Key Components
Compressor :Copeland Enhanced vapour injection
AC Contactor : Eaton brand
Expansion valve :Danfoss expansion valve

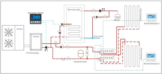
Installation Digragram
1.Easy stallation :
Air to water heat pump is most easily installed , only need to connect with your used water pipe .
2.How to change from floor heating to hot water ?
When the heating and hot water is in need , we suggest to put coils in the water tank, then the floor heating water wont mix with the shower water . Hot water will be priority , and after reaching the preset water temp , the heat pump will change to floor heating mode automatilly.
3.Heat pump also can be connected with solar collector , energy saving will up to 90% .
when the water temp cant reach the preset water temp, then the heat pump will start operating. Even in the winter, heat pump will be the mainly use in stead of the solar heater.
4.Installation components :
water tank, circulation water pump, three way valve, water flow switch , water pipes, filter , safe valve and etc.
Our company can supply water tank, circulation water pump , three way valve, safe valve, if you need, kindly let us know in advance.

Compared with solar water heaters, gas water heaters and electric water weaters, the energy cost saved by SPRSUN heat pump water heaters is shocking.
Item | SPRSUN Heat Pump | Solar Water Heater | Gas Water Heater | Electric Water Heater | ||
Heat Source | electricity | solar + electricity | natural gas | liquefield gas | electricity | |
Heat Value | 860kcal/kw/h | 860kcal/kw/h | 9000kcal/m³ | 860kcal/kg | 860kcal/kw/h | |
Efficiency | 450% | 1/3 time use electric heater | 90% | 85% | 90% | |
Energy Consumption per Day | 2.07kw/h | 3.45kw/h | 0.99m³ | 0.87kg | 10.34kw/h | |
Cost | $0.11/kw.h | $0.11/kw.h | $0.42/m³ | $1.1/kg | $0.11/kw.h | |
Cost per Day | $0.23 | $0.38 | $0.42 | $0.96 | $1.14 | |
Annual Cost | $84 | $139 | $153 | $350 | $416 | |
Under 20℃ environment temperature and 15℃ water temperature condition, sample for heating 200L water to 55℃.
As one of the Top 10 brand in China's heat pump industry, SPRSUN has been in the heat pump industry for 20 years. With a strong R&D center and 6 production lines, we are specialized in producing air to water heat pumps ,high temp heat pump, EVI low temp heat pump , EVI inverter heat pump , DC inverter heat pump and swimming pool heat pump , getherrmal ground source heat pump for the HVAC market, providing home heating and cooling system . Our products are welcome all over the world, such as Germany, Sweden, Serbia, Turkey, Czech, Russia, Vietnam, Australia, South Africa and so on.




SPRSUN Heat Pump Projects Worldwide


Certifications
Focusing on hot water, heating and cooling, SPRSUN is built up to meet customers'special energy saving needs with advanced technology support from Germany while ISO9001 and ISO14001 have been obtained. Our heat pump products are produced based on EN14511 standard with CE, CB, SAA, ETL and ERP certificates.

A: Yes, we are a professional heat pump manufacturer since 1999, with experienced and improved R&D, production, sales and service supply.
A: Our main products include air source heat pumps, water/ground source heat pumps, swimming pool heat pumps, high temperature heat pumps, EVI heat pumps for cold area and so on.
A: Please send us an inquiry or contact us with online service; after receiving your inquiry, we will reply to you with our catalogue, quotation and other information you need.
A: Yes, we warmly welcome your heat pump OEM/ODM opportunities. We can produce Europe standard heat pumps under your brand and according to your special needs.
A: Yes, we are currently looking for more heat pump distributors/resellers across the globe, who can distribute our heat pump products in their local countries.
Our warranty is 18 months, but actually we provide lifelong maintenance service. Within 18 months since the delivery date, if the product has any failure under normal usage, SPRSUN will provide free assembly parts. After the warranty period, we will continue to provide lifelong maintenance service, with just a small amount of charges.
New products from manufacturers at wholesale prices