CCS, BV, ABS Approved 600m3/h Diesel Engine Driven Fire Fighting FiFi Pump
$10,000.00-30,000.00
Share on (1601044380331):
Product Number | 8521047 |
Product name | Fire |
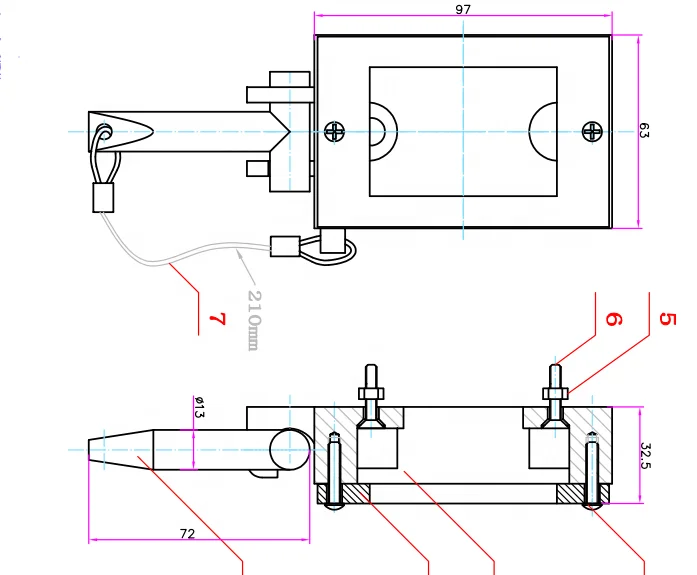
Application | RED LOCK BOX |
Material | Metal |
Handwheel | Iron with red painted |
Sample time | About 7 days |
Lead time | 35-40 days |





New products from manufacturers at wholesale prices