Share on (1601060436330):
Material | carbon steel |
Grade | 4.8/ 6.8 /8.8 /10.9 /12.9 |
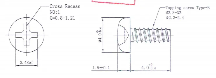
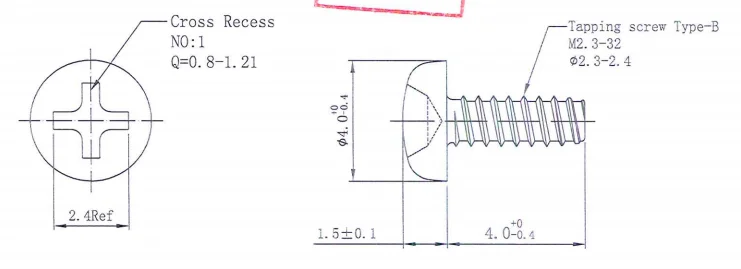
specification | M2.3*4 |
Standard | GB,ISO,DIN,JIS,ANSI/ASME,BS/custom |
Lead time | 3 working days |
Certificate | ISO14001/ISO9001/IATF16949 |
Surface Treatment | nickel |




# | Process Name | Checking Items | Detection frequency | Inspection Tools/Equipments |
1 | IQC | Check raw material: Dimension, Ingredient, RoHS | Caliper, Micrometer, XRF spectrometer | |
2 | Heading | Outward appearance, Dimension | First parts inspection: 5pcs each time Regular inspection: Dimension -- 10pcs/2hours; Outward appearance -- 100pcs/2hours | Caliper, Micrometer, Projector, Visual |
3 | Threading | Outward appearance, Dimension, Thread | First parts inspection: 5pcs each time Regular inspection: Dimension -- 10pcs/2hours; Outward appearance -- 100pcs/2hours | Caliper, Micrometer, Projector, Visual, Ring gauge |
4 | Heat treatment | Hardness, Torque | 10pcs each time | Hardness Tester |
5 | Plating | Outward appearance, Dimension, Function | MIL-STD-105E Normal and strict single sampling plan | Caliper, Micrometer, Projector, Ring gauge |
6 | Full Inspection | Outward appearance, Dimension, Function | Roller machine, CCD, Manual | |
7 | Packing&Shipment | Packing, Labels, Quantity, Reports | MIL-STD-105E Normal and strict single sampling plan | Caliper, Micrometer, Projector, Visual, Ring gauge |


New products from manufacturers at wholesale prices