20 Tons Malaysia Dcs Used Motor Oil Recycle Machine For Diesel/base Oil Machine Used Motor Oil Disitllation Refinery Equipment

Share on (1601118275734):


Price:$25,000.00-49,000.00

Quantity:


Product Overview

Description



Product Overview




Black motor oil distillation plant.Black lubrication oil recycling machine
Working principle :
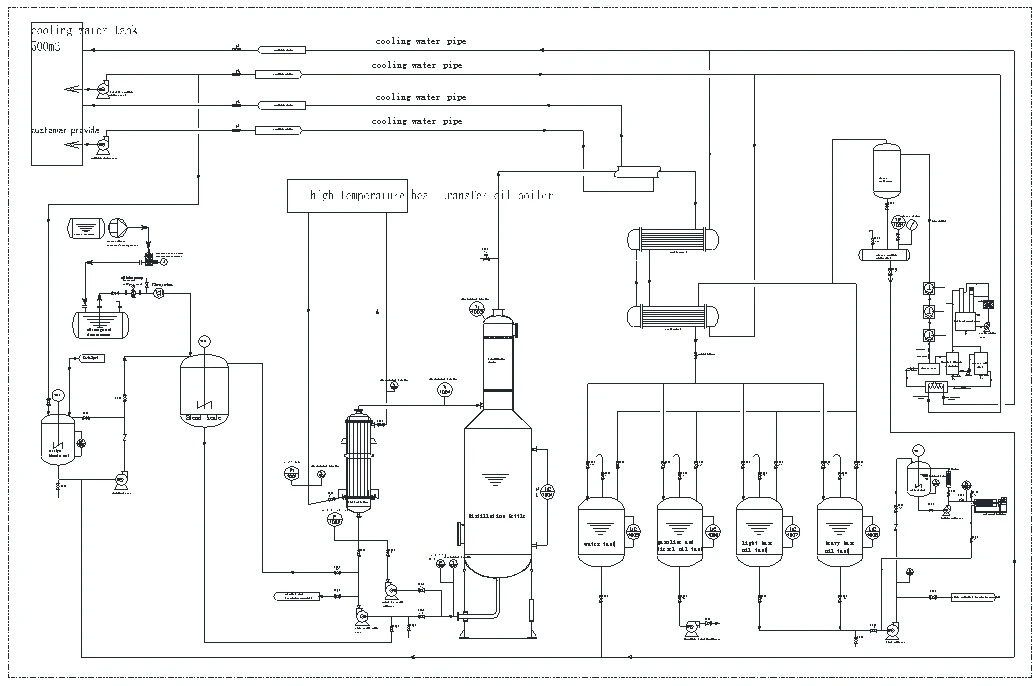
Our company researches the new waste oil vacuum distilling machine (DIR waste  vacuum oil distillation machine) from 2005,We’re the first factory to produce the vacuum oil distillation plant and with ten years of improvement, our technology is very mature, it is special for distilling and regenerating the black waste lube oil, including waste engine oil, lube oil, hydraulic oil, gear oil, dirty diesel oil, mixed oils etc. This equipment adopts physicochemical way to polymerize, passivity, absorb, eliminate impurities and harmful contaminations. DIR waste oil distillation machine heat the waste oil to (from 110℃ to 300℃) different temperature under high vacuum condition, making Hydrocarbon molecules break out, and re-order combination, forming diesel oil, lubricating base oil etc. This newest techonology machine is very suitable for the small oil refinery company, also for the small oil company who want to make the oil by self.

Waste oil is pumped to mix with the catalyst after being pretreated to remove large impurities, and mixed enough via the special mixing pipe. The mixed waste oil flows into the distillation kettle, meanwhile the waste oil is circulating heated by the heat exchanger. Start the vacuum unit. The components by distillation pass through three-stage cooling systems, then collected into "water receiver, gasoline and diesel receiver, light lube base oil receiver, heavy lube base oil receiver" . The waste gas is firstly handled by the water seal, then handled by our waste gas processor system. The water distilled from waste oil can be used to blend the catalyst, no any pollution water produced. The gasoline and diesel oil distilled from waste oil can be used as fuel blended with oil residue. Therefore, our equipment has no any secondary pollution to the environment.



Right elevation
Left elevation
Front elevation




Advantage
1. There are optional ways to heat the oil, like the Battery heating, boiler way by using fuel, natural gas or coal. Also, if machine is small capacity, we can use the electric heating way.
2. By using the high vacuum distilling way, so the distilling temperature is low, energy saving and safety.
3. Using the special chemicals to catalyze the waste oil, which makes sure the final diesel oil, gasoline oil and base oil are good anti-oxidation with good color, there is no bad odor. The final oil can be storage for one year without color change and odor change.
4. Oil cooler system adopts the SS304, which has the good heating exchange function, long life time.
5. Environmental friendly, there is only 5-8% of the oil residual under the distilling kettle, which can be use as the boiler heavy fuel, so there is no pollution.
6. The final oil is high purity; gasoline/diesel oil and lube base oil be loaded in different oil tanks.
7. Machine design life is 15 years, long working life time.
8. Easy operation, only 1 or 2 workers can operate the machine.


PRODUCT SPECIFICATIONS




Treated Oil Analysis (take the waste diesel engine oil for example)
Item
Heavy base lube oil
Light base lube oil
appearance
lucidity
lucidity
color ≤
2.5
1.5
Viscosity(40℃)mm2/s
49.57
26.86
Viscosity index ≥
96
95
anti- oxidation 150℃,min ≥
180
180
de-emulsification, 54℃ min
5min
5min
Flash point (opening)℃ ≥
228
224
Pour point ℃ ≤
-12
-16
Neutralization value mgKOH/g ≤
0.02
0.02


Recovery Rate:
Component
Percentage(%)
water
1.5%
Gasoline/diesel oil
7%
Light Lubrication oil
42%
Heavy Lubrication oil
43%
Residue
6.5%
Total
100%




Process Procedure
Step # 1: The waste oil is pre-treated by oil purifier to remove water and big dirty first for protect oil pumps and decrease the evaporate time.
Step # 2: Pump the catalyst(Add catalyst solvent, catalyst need mix with water first in the catalyst tank, the quantity of catalyst is 2%-5%) to mixed with the waste oil for about 30min.
Step # 3: when oil is pumped into the distillation kettle, begin to heating, we don’t heat the kettle directly, but use the conduction oil to heat the waste oil indirectly in heat-exchanger. There are many pipes into the heat-exchanger, the conducting fluid(hot oil) will circulate between boiler and the inside pipes of heat-exchanger, and waste oil will circulate between distillation kettle and outside pipe of heat exchanger, then conduct the heat to waste oil in exchanger.
Step #4: The temperature will be up by the heating. First you can get about 1.5% water will collected under temperature between 80-120 degree; second you can get about 7% diesel and gasoline oil mixture, the temperature is 170-210 degree; third there are about 42% light base oil under temperature between 230-250 degree; at last there is 43% heavy base oil, the temperature is 280-300 degree.The oil vapor will be cool down to oil by condenser, then goes into different receiving tank according to different temperature. There are pressure gauges and temperature gauges on the machine, you can control it totally.


Features:
1. Easy to operate, low operation cost
2. Environmentally friendly, without secondary pollution.
3. The machine can recycle gasoline oil, diesel oil, engine oil, rubber oil and other lubricant oil to clean oil.
4. High quality refined oil, no any discoloration caused by oxidation, no any bad smelling.
5. Low cost contain:
1) only need the catalyst chemical, the cost is less thanUS$30 to refine one ton waste oil.
2) Heat consumption: 105kcal per ton waste oil
3) Power consumption: 40Kwh to recycle 1 ton waste oil
6. High degree of automation.





PRODUCT CONFIGURATION


vACUUM SYSTEM
High temperature resistant pump
EXCHANGE SYSTEM


Successful Project








Project in Indonesia
Project in Turkey
Project in Uzbekistan


SIMILAR PRODUCTS






FAQ


1. recovery rate:
The recovery rate base oil of this machine is more than 85%

2. Additive and production cost:
The additive cost is about US$25-US$30 to refine 1000Liter waste oil.we will send all specification to you when you make the order.

3. How to deal with the residue:
The final residue is semi solid and can be processed by our DDRseries machine to get diesel or you can use the residue as fuel( mixed with diesel to sell or as fuel for boiler).

4. Why we need to add the additive:
Additive will keep the recycled oil stabilization, avoiding the recycled oil oxidate and color change back to black if u wanna storage more than half year.Additive can help the oil recycled in a shorter time. So the recycled oil from our machine will keep yellow at least half year or one year.( But the additive is not necessary, if not use it)

5. Why the machine need work under vacuum condition:
The machine work under negative pressure, the boiling rage of the used oil is lower under high vacuum condition, if without vacuum unit, the oil will crack when temperature up to 420-450 degree( and the oil will become to diesel when temperature is 450 degree). The vacuum system can guarantee the whole system in high safety, the explosion won’t be happen.

6. Treated oil analysis(take the waste diesel engine oil for example):
During processing, harmful substance removed, but the base oil and the existing additives are basically remained, so the invariability, antioxidation, de-emulsibility ect. better than the ordinary base oil. Below is a test report of a recycled oil sample produced from domestic used engine oil. Different countries’ black engine oil is a little different. Welcome to visit us, and take back the final base oil, oil residue and the black engine oil to your country to check by yourself according to your country’s standard.










Here are our main categories below:
ZJB Single stage vacuum transformer oil purifier
ZJA Double stage vacuum transformer/insulating oil purifier
ZJA-M Mobile Trailer type transformer oil purifier
IIJ-II Insulating/transformer oil dielectric strength tester
ZJD Lubricant/hydraulic/turbine oil purifier
ZJF Cooking oil purifier
NRY Waste engine oil regeneration system
ZJD Coalescence and separating oil purifier
ZJR Phosphate ester fire-resistant oil purifier
ZJD-K Plate pressure oil purifier, Portable oil purifier
AD Air dryer for drying electric equipments
ZJD-S Oil water separator
DIR Waste engine oil distillation plant
DDR Diesel oil distillation plant
NKEE-36 Oil moisture sensor
BDV Oil tester

If you wanna more information please contact Anne wu:Tel:+8615215080377


0.1542 s.