Hydraulic Press Brake Punch And Die Molds Bending Machine Dies

Share on (1601157813267):


Price:$140.00-170.00

Quantity:


Product Overview

Description


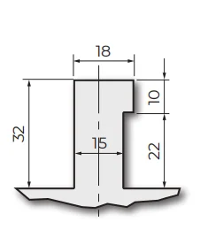
_01_02

































Material42CrMo
Hardness52-60(HRC)
sizeCustomizable sizes
StandardAMADA, European, Segmented, Arc, International Standard, Three Point, Non-Streaking, Adjustable Groove, Special, etc
ApplicationUsed on press brake machine
CertificationISO9001
packageWooden crate with soft film layers inside

Support customization, please let us know your requirements

1. Material

2. Forging

3. a. Miller Processing(if your products are small)

b. Planer Processing(if your products are large)

4. Precisional Grinder Processing

5. Finished Products

6. Measuring

7. Packing: Wooden crate with soft film layers inside

8. Delivery Details: Shipped in 20 days after payment

 


Capacity chart for air bending


The given data has been calculated based upon bending material with a tensile strength ofδb=420 MPa over a length of 1m.



1716433015846.jpg


Recommended die opening V for air bending




















Material thickness(t:mm)

0.5-2.53-89-10>12
 
Die opening(v:mm)

 6xt8xt  10xt12xt 

 




 
The internal radius R corresponds to approximate 16% of the die opening V



Upper tooling fixtures

3.png4.png5.png6.png

       Trumpf                 AMADA               BYSTRONIC        LVD


Dies tooling clamping

1716443112001.png1716443147603.png1716443167898.png1716443188813.png

            1Vslot                     2V quick-change type              multi-V worktable type                2V adjusable

CNC bending tool segmentation, regular segment specifications are as follows:

Upper tooling:100 (left), 10,15,20,40,50,200,300,100 (right) = 835mm

.png

Die tooling:10,15,20,40,50,100,200,400=835mm

2.png

_04

 

DSC05233.JPGDSC04554

DSC04533 DSC05218_1

_07_06_05

_08

_09

1.Q: How long is your delivery time?

   A:Generally it is 7-15days if the tools are standard.If it is a special mold, it will take 15-25 days.

2.Q:Can you put my brand logo on these products?

   A:Yes,I can.

3.Q:Do you provide free samples?

   A:Yes, we can provide samples but you will need to pay for the shipping cost yourself.

4.Q:How is your after-sales service?

   A:We offer free replacement if the mold is damaged by non-human factors within one week of use.

 

 

 


 




 

0.1659 s.