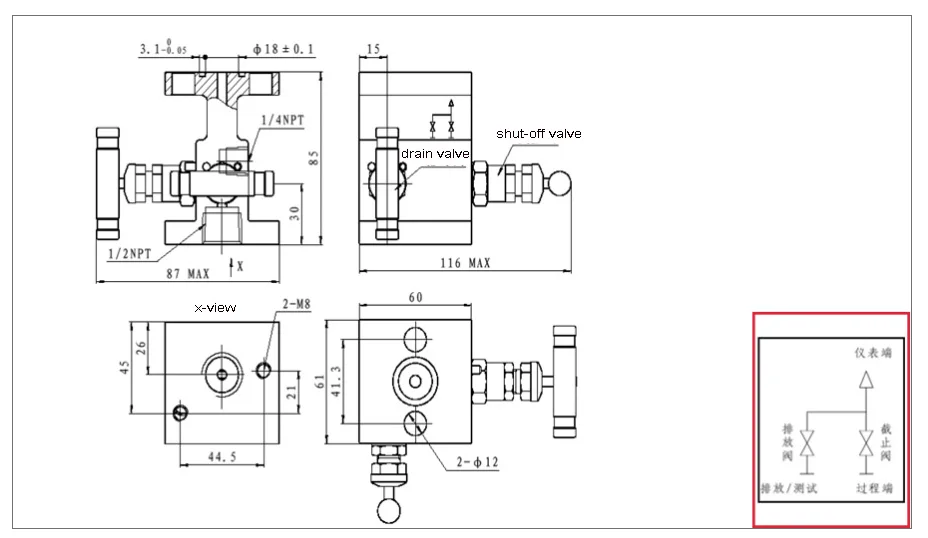
316L stainless steel H type 2 valve manifold for differential pressure transmitter

Share on (1601181528570):


Price:$75.00 - $110.00

Quantity:


Product Overview

Description

Product description is temporarily unavailable. Click "Buy" for details

0.1998 s.