Share on (1601190047290):
Wafer Butterfly Valve

Features
1. Small in size and light on weight,easy install and maintain.
It can be mounted wherever needed.
2. Simple and compact construction, quick 90 degrees on-off operation.
3. Minimized operating torque,energy saving.
4. Flow curve tending to straight line.Excellent regulation performance.
5. Long service life.Standing the test of tens of thousands
open/close operations.
6. Bubbles- tight sealing with no leakage under pressure test.
7. Wide selection of materials,applicable for various medium.
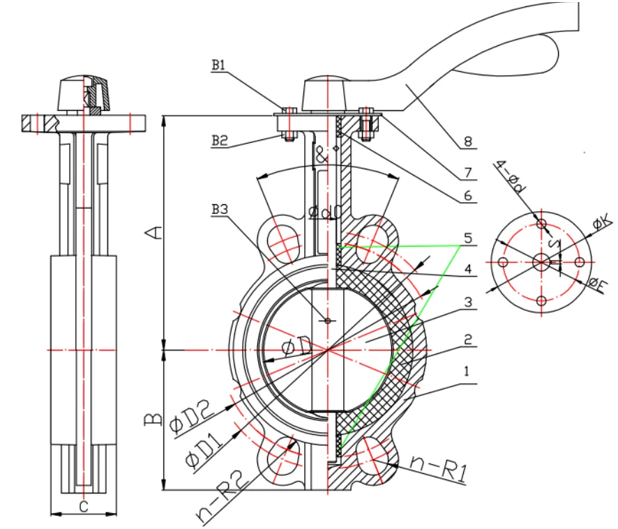
PERFORMANCE SPECIFICATION
| Design Standard | BS EN593 |
| Face to Face Standard | ANSI B16.10 |
| Flange Drilled Standard | PN16 |
| Inspection &Test Standard | API 598 |
| DN | A | B | C | ΦD | Φd0 | ΦK | ΦE | 4-Φd | ΦD1 | ΦD2 | n-R1 | n-R2 | &. |
| 50 | 142 | 71 | 45 | 52.9 | 12.6 | 79 | 57 | 4-Φ8 | 125 | 110 | 4-10.5 | 4-9 | 90. |
| 65 | 150 | 79 | 48 | 64.5 | 12.6 | 79 | 57 | 4-Φ8 | 145 | 130 | 4-10.5 | 4-9.5 | 90. |
| 80 | 162 | 95 | 48 | 78.8 | 12.6 | 79 | 57 | 4-Φ8 | 160 | 152 | 4-10.5 | 4-10 | 45. |
| 100 | 176 | 115 | 55 | 104 | 15.77 | 92 | 70 | 4-Φ10.5 | 192 | 168 | 4-12 | 4-10.5 | 45. |
| 125 | 189 | 128 | 56.5 | 123.3 | 18.92 | 92 | 70 | 4-Φ10.5 | 215 | 200 | 4-12 | 4-11 | 45. |
| 150 | 206 | 142 | 59 | 155.1 | 18.92 | 92 | 70 | 4-Φ10.5 | 240 | 228 | 4-13 | 4-11.5 | 45. |
| 200 | 235 | 171 | 64 | 202.5 | 22.1 | 115 | 89 | 4-Φ14.5 | 297 | 282 | 4-13 | 4-12 | 30. |
| 250 | 277 | 209 | 71 | 251 | 28.45 | 115 | 89 | 4-Φ14.5 | 365 | 348 | 4-13 | 4-12.5 | 30. |






Beoncy, be best choice!!!

Beoncy Co Ltd was founded in 2008 and is an experienced valve group company.
Beoncy has factories specializing in the production of butterfly valves, gate valves, and check valves, located in Tianjin and Hebei respectively. Beoncy has modern production base and advanced production equipments, committed to providing customers with high-quality valves and services,The company has a professional R&D team, constantly developing advanced valve technologies, and constantly innovating to meet market demand to provide customers with more efficient, safe, and environmentally valves. The company's excellent equipment, complete testing methods, and after-sales service ensure the quality of the product high quality reliability and safety. Sincerely welcome customers from all over the world to visit our factory and join the Beoncy family.

Related Hot Sale
Gate valve Wafer butterfly valve Flange butterfly valve
Eccentric butterfly valve Lug butterfly valve Swing check valve
Y- strainer wafer check valve Rubber joint

1.Q: Manufacturer or trading company?
A: Manufcaturer
2.Q: Your main products?
A: Butterfly valve,gate valve,check valve,Y-strainer,rubber joint ,ect.
3.Q: Sample available?
A: Yes, free sample.
4.Q: Pressure test before shipping?
A: We have twice pressure test .
5.Q: Payment term?
A: T/T L/C D/A D/P Western Union MoneyGram
6.Q: Price term?
A: EXW FOB CIF CFR
7.Q: Guarantee?
A: 12-24 months.
8.Q: OEM and ODM?
A: Yes, sure.
9. Q: Delivery date?
A: 7 days to 1 months depends.
New products from manufacturers at wholesale prices