Share on (1601199902475):



1. Integration of factories and trade to ensures
that every working procedure of the product
can be strictly controlled.
2. Competitive quality and low price.
3. Advanced technology, professional packaging,
fast delivery, and developed sea, land and air logistics.
4. Timely after-sales service ensures that users
have a great experience.
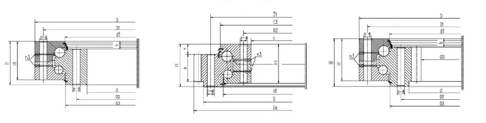
The double row ball slewing bearing has three seat rings. The steel balls and isolators can be directly arranged into the upper and lower raceways. According to the stress conditions, the upper and lower rows of steel balls with different diameters are arranged. This kind of open assembly is very convenient. The bearing angle of the upper and lower arc raceway is 75 degrees. It can bear a great deal of axial force and overturning moment. When the radial force is greater than 0.1 times the axial force, the raceway must be specially designed. The axial and radial dimensions of the double row ball slewing bearing are relatively large and the structure is fastened. It is especially suitable for handling tower cranes, truck cranes and other loading machines that require medium or above diameters.
Luoyang hengguan bearing co., LTD. Produces the double ball type slewing bearing has the following series models


Type | • Single row four point contact ball slewing bearing • Single row crossed cylindrical roller slewing bearings • Double row ball slewing bearings •Double row Roller/ball combination slewing bearing •Three-Row Roller Slew Ring Bearing |
Rollng elements | Steel ball / Cylinder Roller |
Rollng elements Material | GCr5/GCr15SiMn/Customized |
Bearing Material | 50Mn/42CrMo/42CrMo4V /Customized |
Cage Material | Nylon/ steel /copper |
Structure | taper pin , Mounting holes,Inner ring ,grease fitting,load plug, seals , roller ,spacer balls or separators |
Outer diameter | 50-10000mm |
Bore size | 50-10000mm |
Mounting hole | Through hole/Tapped hole |
Raceway hardness | 55-62HRC |
Inner and outer ring modulation hardness | 229-269HB/Customized |
Gear type | No gear ,Internal gear , External gear. |
Embellish grease | EP2 lithium lubricating grease |
Certificate | ABS.BV,DNV,ISO9001,GL |
Application area | Ladle turret,Stacker crane,Bucket wheel machine,Solar heliostat Tracking System,port crane, Cabling machine,tower crane , offshore platform,ferris wheel, Palletizing robot,Rotary metallurgical furnace,can packing machine,Wind blade transporter,shield tunneling machine,tube push bench,excavator |
Brand Name | HGB |
Place of Origin | Luoyang Henan |
Warranty | 12 months |
Payment term | T/T is our first choice |
Packing details | 1,Filling with anti-rust oil 2.Corved with Plastic paper 3.Corved with kraft paper 4.Corved with Blue tie 5.Put in wooden box |

Steel ball/Roller:carbon-chromium bearing steel GCr15SiMn or GCr15 for rolling Material
Cage: include integral cage, segment cage and spacer-type cage. We use 20# steel or copper for integral and segment cages, PA 1010 resin or QA110-3-105 albronze for spacer-type cages.
Seals:uses NBR or VITON, few felted wool.

It is composed of two or three rings. It has compact structure, light weight, high manufacturing accuracy, small assembly gap and high requirement for installation accuracy. Rollers are 1:1 cross-arranged. It can bear axial force, overturning moment and large radial force at the same time. It is widely used in lifting transportation, construction machinery

It have three seat rings, the upper and lower raceways and the radial raceways are separated, so that the load of each row of roller can be determined accurately. Being able to bear all kinds of loads at the same time, it is the largest one of the four structural products with large axle and radial dimensions and firm structure. It is especially suitable for heavy machinery requiring larger diameter, such as bucket wheel stacker and reclaimer, wheel crane, marine crane, port crane, ladle turret and large tonnage truck crane. Heavy machinery and so on.

It is composed of two seat rings. It has compact structure, light weight, and four-point contact between steel ball and arc raceway. It can bear axial force, radial force and overturning moment at the same time. The construction machinery of rotary conveyor, welding manipulator, small and medium-sized crane and excavator can be selected.






Internal gear ring
External gear ring
No gear ring

We are located in the beautiful Peony Flower City, known as the "Bearing Town" of China's thirteenth ancient capital - Luoyang. Is a professional design, research and development, production, sales and service in one of the slewing bearing integrated entity enterprise. Relying on the unique advantages of Luoyang old brand bearing processing base, the company has gathered a group of experienced bearing designers and skilled first-line production workers, together with advanced production and processing equipment and testing tools, to ensure the quality of products and related services from the root..

Wide production workshop and strong production team as a support,ensure the products can be produced by required quality and quantity. andThereby increase the customer benefits.

The above is our production equipment with advanced technology , the stable and longevity bearing produce from these equipment .


1.Q: Are you trading company or manufacturer ?
A: We are professional slewing bearing manufacturer with 20 years' experience.
2.Q: How long is your delivery time?
A: Generally it is 4-5 days if the goods are in stock. or it is 45 days if the goods are not in
stock, Also it is according to quantity.
3.Q: Do you provide samples ? is it free or extra ?
A: Yes, we could offer the sample, it is extra.
4.Q: What is your terms of payment ?
A: Payment<=1000USD, 100% in advance. Payment>=1000USD, 30% T/T in advance, balance before shipment.
5.Q: Can you provide special customization according to the working conditions?
A: Sure, we can design and produce the slewing bearings for different working conditions.
6.Q: How about your guarantee?
A: We provide lifelong after-sales technical service.


New products from manufacturers at wholesale prices