Share on (1601206184591):

Type | Current ratio | Class & Burden(VA) | Diameter | ||
class 0.5 | class 1 | ||||
AKH-0.66/K-Φ24 | 150-200A/5A(1A) | 1 | Φ24mm | ||
250-300A/5A(1A) | 1.5 | Φ24mm | |||
AKH-0.66/K-Φ36 | 300-400A/5(1)A | 1.5 | Φ36mm | ||
500-600A/5(1)A | 1.5 | Φ36mm | |||
AKH-0.66/K-Φ50 | 600-700A/5(1)A | 2.5 | Φ50mm | ||
800-900A/5(1)A | 5 | Φ50mm | |||
1000A-1200A/5(1)A | 10 | Φ50mm | |||

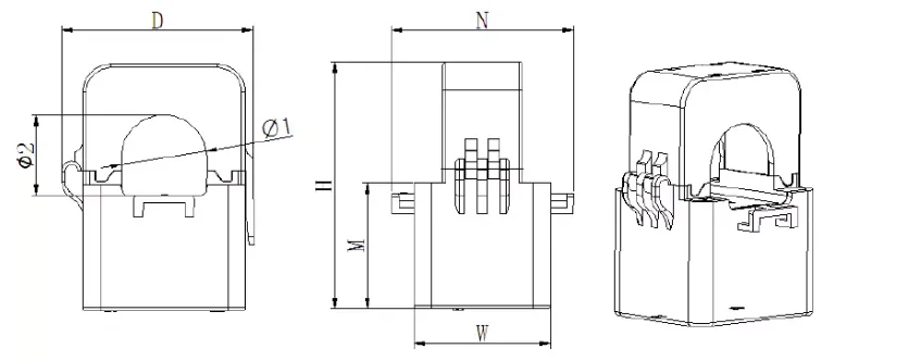
Size Specification | Faceplate size (mm) | Cut out size (mm) | Tolerance | ||||||||||
W | H | D | M | N | Φ1 | Φ2 | ±1 | ||||||
K-Φ24 | 39 | 70.5 | 55 | 36 | 52 | 24.5 | 23 | ||||||
K-Φ36 | 42.5 | 81.5 | 67 | 40 | 56 | 33.5 | 35 | ||||||
K-Φ50 | 46.5 | 110 | 90 | 50 | 66.5 | 47 | 52 | ||||||







New products from manufacturers at wholesale prices