Share on (1601206580908):



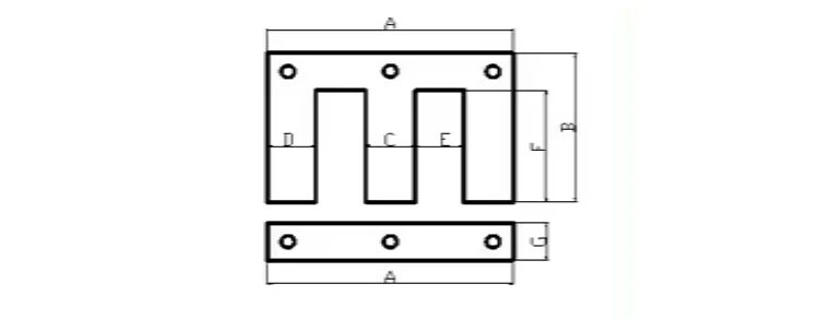
Item No. | A/MM | B/MM | C/MM | D/MM | E/MM | F/MM | G/MM | H/MM | Hole Size/MM |
EI16 | 16 | 12 | 4 | 2 | 4 | 10 | 2 | ||
EI19 | 19 | 12.5 | 5 | 2.5 | 4.5 | 10 | 2.5 | ||
EI28 | 28 | 21 | 8 | 4 | 6 | 17 | 4 | ||
EI30 | 30 | 20 | 10 | 5 | 5 | 15 | 5 | ||
EI33 | 33 | 22 | 11 | 5.5 | 5.5 | 16.5 | 5.5 | ||
EI35 | 35 | 23.4 | 11.6 | 5.84 | 5.84 | 17.46 | 5.84 | ||
EI38.4 | 38.4 | 25.6 | 12.8 | 6.4 | 6.4 | 38.4 | 6.4 | ||
EI41 | 41 | 27 | 13 | 6 | 8 | 21 | 6 | 35 | 3.2 |
EI42 | 42 | 28 | 14 | 7 | 7 | 21 | 7 | 35 | 3.5 |
EI48 | 48 | 32 | 16 | 8 | 8 | 24 | 8 | 40 | 3.5 |
EI50 | 50 | 34 | 14 | 9 | 9 | 25 | 9 | ||
EI54 | 54 | 36 | 18 | 9 | 9 | 27 | 9 | 45 | 3.5 |
EI228 | 228 | 152 | 76 | 38 | 38 | 114 | 38 | 190 | 10.3 |
EI228.6 | 228.6 | 152.4 | 76.2 | 38.1 | 38.1 | 114.3 | 190.5 | 209.6 | 9.6 |
EI240 | 240 | 160 | 80 | 40 | 40 | 120 | 40 | 200 | 12 |
EI270 | 270 | 180 | 90 | 45 | 45 | 13.5 | 45 | 235 | 10 |
EI300 | 300 | 200 | 100 | 50 | 50 | 150 | 50 | 250 | 12 |
EI360 | 360 | 240 | 120 | 60 | 180 | 60 | 300 | 300 | 12 |










New products from manufacturers at wholesale prices