Share on (1601209129556):
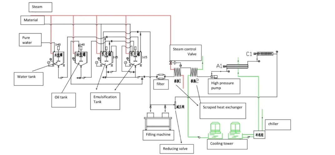
General margarine, shortening production process:
Ingredients (dosing tank, weighing) - emulsification - feeding (storage tank) - pressurized conveying - quenching (A, B) - kneading - discharging
According to the different needs of margarine, industrial oil can be discharged from the B-tube as a finished product, so that the production efficiency is high. It is required to obtain a fine margarine which can be discharged from the C cylinder.
| Genyond® Plus Series | 161 AF | 16 2 AF | 164 AF | 181 AF | 182 AF | 184 AF |
| N OM I NAL CAPACITY - PU FF PASTRY MARGAR I N E AT - 20 °C [ KG / H] | NA | 1 , 150 | 2 , 300 | NA | 1 , 500 | 3 , 000 |
| N OM I NAL CAPACITY - TAB LE MARGAR I N E AT - 20 °C [ KG / H] | 1 , 100 | 2 , 200 | 4,400 | 1 , 500 | 3 , 000 | 6 , 000 |
| N OM I NAL CAPACITY - SHORTE N I N G AT - 20 °C [ KG / H] | 1 , 500 | 3 , 000 | 6 , 000 | 2 , 000 | 4 , 000 | 8 , 000 |
| N U M B E R OF R E FR I G E RANT CI RCU I TS | 1 | 2 | 4 | 1 | 2 | 4 |
| N U M B E R OF TU B ES PE R R E FR I G E RANT CI RCU I T | 1 | 1 | 1 | 1 | 1 | 1 |
| M OTOR S FOR PU FF PASTRY MARGAR I N E [ k W] | NA | 22 +30 | 18.5 +22 + 30 +37 | NA | 37 +45 | 30 + 37 +45 +55 |
| M OTOR S FOR TAB LE MARGAR I N E [ k W] | 18.5 | 2 x18.5 | 18.5+18.5+22+22 | 30 | 22 + 30 | 22 +30 +37 +45 |
| M OTOR S FOR SHORTE N I N G [ k W] | 18.5 | 2 x18.5 | 18.5+18.5+22x 22 | 30 | 22 + 30 | 22 + 22 + 30 + 30 |
| N U M B E R OF G EAR B OXES | 1 | 2 | 4 | 1 | 2 | 4 |
| COOLI N G SU R FACE PE R TU B E [ M 2 ] | 0 .61 | 0 .61 | 0 .61 | 0 .84 | 0.84 | 0.84 |
| AN N U LAR SPACE [ M M] | 10 | 10 | 10 | 10 | 10 | 10 |
| CAPACITY AT - 20 °C [k W] | 50 | 100 | 200 | 80 | 160 | 320 |
| MAX. WOR KI N G PR ESSU R E - M E DIA SI DE [ BAR] | 20 | 20 | 20 | 20 | 20 | 20 |
| MAX. WOR KI N G PR ESSU R E - PRODU CT SI DE [ BAR] | 120 | 120 | 120 | 120 | 120 | 120 |
| M I N. WOR KI N G TE M PE RATU R E [ C°] | -29 | -29 | -29 | -29 | -29 | -29 |
| CH I LLI N G TU B E DIAM ETE R / LE N GTH [ M M] | 160 / 1 ,200 | 160 / 1 , 200 | 160 / 1 , 200 | 160 /1 ,600 | 160 /1 ,600 | 160 /1 ,600 |
| PRODU CT VOLU M E PE R TU B E [ L]* | 8.6 | 8.6 | 8.6 | 10.5 | 10.5 | 10.5 |
| PRODU CT PI PE I N / OUT [ M M] | DN 50 | DN 50 | DN 50 | DN 50 | DN 50 | DN 50 |
| ROWS OF SCRAPE R S | 4 | 4 | 4 | 4 | 4 | 4 |
| N OM I NAL SCRAPE R ROTOR SPE E D [ R PM]* | 340 | 340 | 340 | 240 | 240 | 240 |
| WATE R ATTE M PE RATI ON CAPACITY [ k W]** | 6 | 2 x6 | 4 x6 | 6 | 2 x6 | 4 x6 |
| WATE R ATTE M PE RATI ON VOLU M E [ L]** | 30 | 30 | 60 | 30 | 30 | 60 |
| WATE R CI RCU LATI ON PU M P [ k W]** | 0 .3 | 0 .3 | 0 .3 | 0 .3 | 0 .3 | 0 .3 |
Raw Material: vegetable oil, animal oil, palm oil, etc.
Can produce: various bakery products and speciality fats like non-emulsified or emulsified shortenings, bakery fat, cake shortening, table margarine, cake margarine,
fat spread with milk fat, fat spread without milk fat, cocoa butter substitutes, puff shortening, reconstituted butter, cream margarine, cream shortening,
puff margarine etc.
Process: Measuring---Ingredients Configuration---Filtration---Emulsification---Fast cooling---Kneading---Filling&Packaging
Scraped-surface Heat Exchanger:
Our chilling unit (A unit) is similar to Votator type of equipment and share many small component. Mechanical seal and scraper blades are typical interchangeable parts.
The heat transfer cylinder consists of two pipe in pipe design with inner pipe for product and outer pipe for cooling refrigerant. Each cylinder is jacketed,
insulated and cladded with stainless steel for use with direct evaporative refrigerant. Each cylinder features an external surge drum with liquid level control valve,
sight glass, safety valve, evaporation pressure regulating valve, electronic pressure transmitter and pressure gage.
Each rotating shaft is concentrically mounted within the cylinder and has 4 rows of floating type scraper blades in a maximum configuration.
The shafts are directly driven by individual 10~22 kW geared motors. The TEFC motors drives will be suitably guarded. Each drive is normally
connected with a current sensing device mounted in the control panel. The current sensing device will automatically switch off the cooling
in case the drive approaches current overload. This feature also protects against freeze-up.
Refrigerant Flooded Evaporative Cooling System
The cooling system consists of a liquid refrigerant level controller (Parkers LMC liquid controller), a evaporator pressure regulating valves (Parkers refrigerant valve series),
a surge drum, electronic instrumentations, hot gas by-passing if required, freeze protection, safety relieve valve and PID loop temperature control with I/P convertor for automation.
The system will be designed for ammonia cooling and liquid refrigerant is supplied by customer’s power plant with adequate suction for return.
Machine/ Product Description:
This is basically Horizontal stainless steel (S.S) tube with jacket made up of metal steel (M.S). The shaft is rotate inside this tube with high revolution. In this metal tube,
the ammonia is expending which give chilling effect to the stainless steel tube present inside.
The space between the shaft and tube is relatively small, the margarine emulsion is pumped down to this space. The shaft is fitted with scraper blades
and the emulsion is continuously spread onto the chilled wall of inside stainless tube and scraped from it through the scraper. The scraper reduced the crystal present
in the emulsion and gives foaming property to this emulsion. During this process the temperature is about 18° to 22° C and then this emulsion is transfer to next level (crystalizer).
Filling Station
Bulk box/pail filling station consists of two filling valves and two electronic weigh scales controlled by a PLC computer system. The box/pail is placed on the scale
and filled with product automatically. Fill will stop when the target weigh is reached automatically. A touch screen is provided to configure the target fill, gross, tare and net.








New products from manufacturers at wholesale prices