Share on (1601211100415):
Alibaba Leading Company TOP10 Supplier



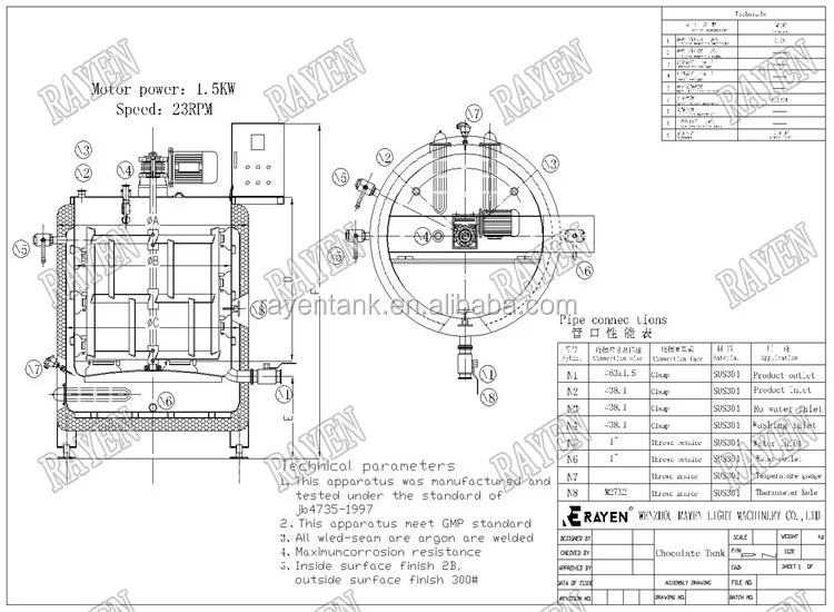
1.The tank is in the chocolate production necessary equipment, mainly uses in after the correct grinding chocolate syrup heat preservation storing, satisfies the chocolate production the technological requirement, adapts to the continuous production request.
2.The tank besides has functions and so on temperature decrease, elevation of temperature, heat preservation, may carry on to the chocolate pulp does not stop stirs, but also has the degasification, the air sweetening, to dehydrate as well as to prevent functions and so on pulp fat separation.
| Model | Equipment Volune(L) | Heating Power(KW) | Agitator Speed(RPM) | Motor Power (KW) | Weight of equipment(KG) | Outine dimension | |||
| Length | Width | Height | |||||||
| RCK100 | 100 | Φ800×900 | 23r/min(According to customer requirements) | 0.55 | 170 | 650 | 650 | 950 | |
| RCK200 | 200 | Φ1000×1220 | 0.75 | 230 | 800 | 800 | 1150 | ||
| RCK300 | 300 | Φ1200×1500 | 1.5 | 320 | 900 | 900 | 1250 | ||
| RCK500 | 500 | Φ1600×1500 | 1.5 | 590 | 1000 | 1000 | 1380 | ||
| RCK600 | 600 | Φ1600×1830 | 1.5 | 670 | 1100 | 1100 | 1570 | ||
| 800 | Φ1800×2000 | 2.2 | 790 | 1200 | 1200 | 1700 | |||
| RCK1000 | 1000 | Φ1800×2400 | 2.2 | 970 | 1300 | 1300 | 1950 | ||



| 1.Q: Are you manufacturer or trading company? |
| A: RAYEN is a professional manufacturer. |
| 2.Q: How could we confirm the details of the products? |
| A: RAYEN will provide the detail drawings for you to confirm. |
| 3.Q: How long the warranty will be? |
| A: 1 Year warranty. |
| 4.Q: Do you take L/C? |
| A: Yes, we accept Western Union, T/T and irrevocable L/C payable |
| 5.Q: Can we become your distributor in our country? |
| A: Yes, we very welcome you! More details will be discussed if you are interested in being our agent. |

New products from manufacturers at wholesale prices