Share on (1601249384331):


Measuring range | -9°C~99°C | ||
Controlling range | -9°C~99°C; | ||
Accuracy | -30°C~50°C,±1°C±0.5dig; others, ±2°C±0.5dig | ||
Mounting size | 99×116×35mm | ||
Power supply | 220±10%(VAC), 50/60Hz | ||
Power consumption | <12W | ||
Storage temperature | -25°C~50°C | ||
Sensor type | NTC(5KΩ/25°C,B value 3470K;50K/25°C, B value 3490K) | ||
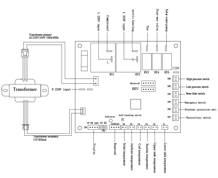
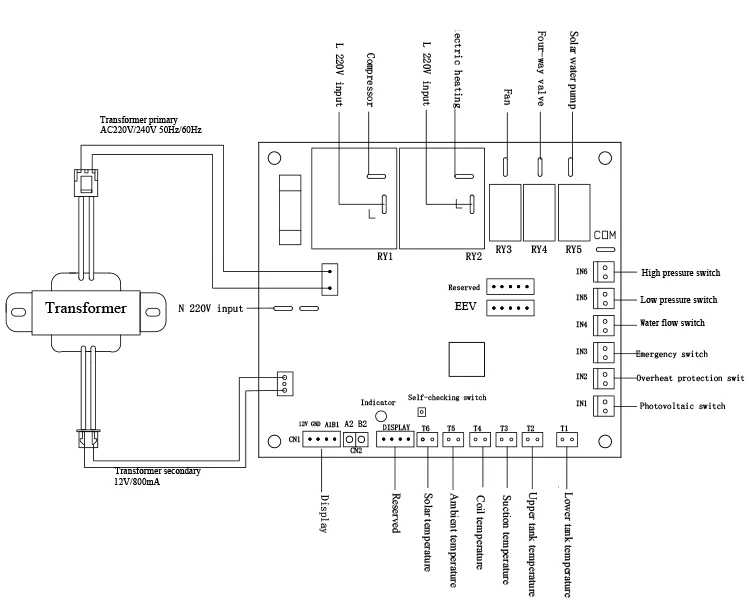
Relay output capacity | Compressor Electric heating | 30A/240VAC | |
Others | 5A/250VAC | ||
Product list | Mainboard(1pcs) | ||
LCD display(1pcs) | |||
Connect wire(1pcs) | |||
Transformer(1pcs) | |||
Temp. sensor(6pcs) | |||








New products from manufacturers at wholesale prices