Share on (1601250055328):
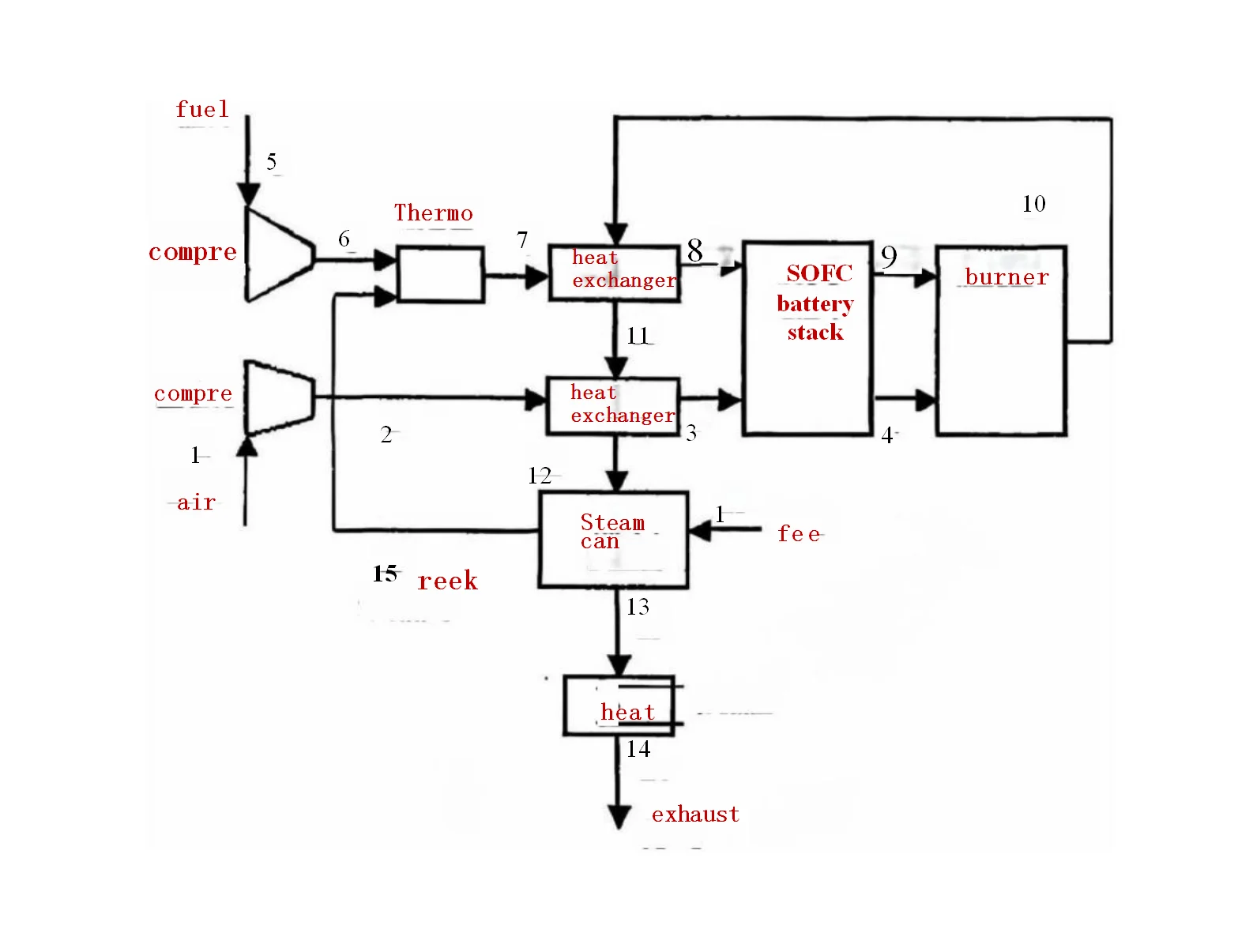
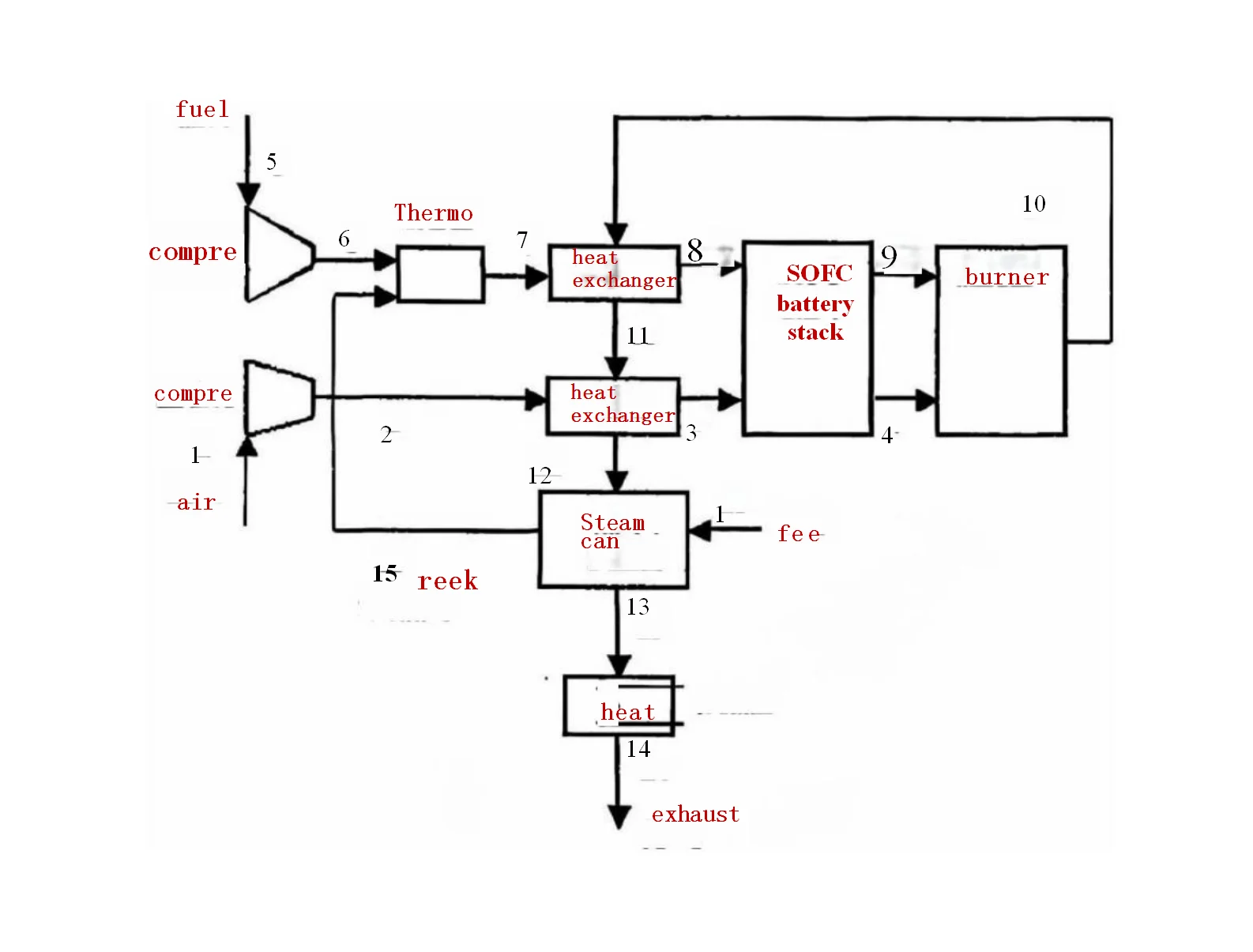
Solid Oxide Fuel Cell (SOFC) belongs to the third generation of fuel cells, which is an all-solid-state chemical power generation device that directly converts chemical energy stored in fuel and oxidizer into electrical energy efficiently and environmentally friendly at medium and high temperatures. It is generally considered to be a fuel cell that will be widely used as proton exchange membrane fuel cells in the future. Fuel gas, such as hydrogen (H2), methane (CH4), city gas, etc. are continuously passed into the anode side of the solid oxide fuel cell, and the catalytic anode surface absorbs the fuel gas.
| introduce |
















New products from manufacturers at wholesale prices