KDS300 KDS50 KONE elevator push button
US $373.00-$890.00
Share on (1601254232114):
Warranty | 1 Year |
Application | Elevator |
Place of Origin | China |
From | Zhejiang |
Brand Name | CKMINE |
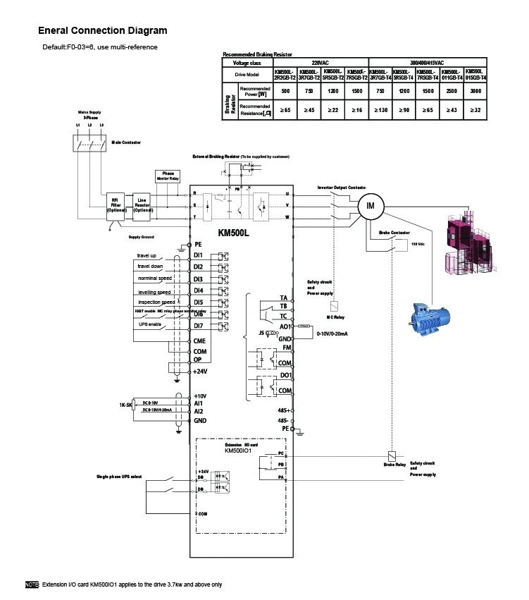
Model Number | KM500L-2R2GB-T2 |
Product name | Variable Frequency Drive For Elevator |
Input voltage | 220V(-15%)~240V(+10%)(3PH) |
Output Current | 9A |
Rated power | 2.2kW or other |
Output type | Triple |
Output Frequency | 100Hz |
Overload Capacity | 150% for 60 Sec& 180% for 3 Sec |
Protection | IP20 |
Certification | CE |















New products from manufacturers at wholesale prices