Share on (1601256359380):


| item | value |
| Place of Origin | China |
| - | Jiangsu |
| Warranty | 1years |
| - | Video technical support, Online support |
| Spare Parts Type | laser spare parts |
| Video outgoing-inspection | Provided |
| Machinery Test Report | Provided |
| Marketing Type | Hot Product 2023Weight (KG): 6 |
| Key Selling Points | Competitive Price |
| Showroom Location | South Korea |
| Applicable Industries | Manufacturing Plant, Other, Construction works |
| Weight (KG) | 6KG |
| Condition | New |
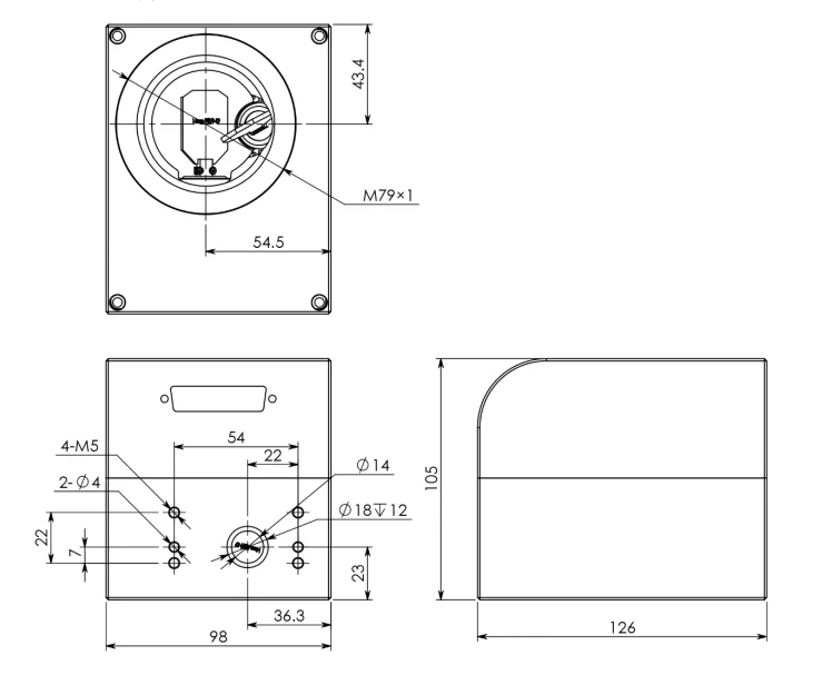
1.High-quality performance: The Sino Galvo AF7220 Auto-Focusing Laser Galvanometer Galvo Scanner Head boasts a high degree of linearity (99.9%) and relatively low zero drift (±15μRad./℃).
2.Quick setup and operation: With a setting time of ≤0.3ms, this galvanometer can quickly adapt to the changing environment and facilitate smooth operations.
3.Robust thermal properties: Designed to function within a temperature range of 0-45℃, the scanner can withstand wide-ranging operational conditions and maintain optimal performance.
4.Comprehensive after-sales support: The Sino-Galvo brand offers comprehensive after-sales services, including video technical support, online support, and the provision of machinery test reports and spare parts.
5.Versatile application: The scanner is suitable for various industries, including manufacturing plants, construction works, and other sectors, demonstrating its versatility and adaptability to diverse environments. It is also competitively priced and backed by a 1.5-year warranty.
Wuxi Bowen Technology Co., Ltd is a highly specialized smart equipment integrator in the laser industry, concentrating on applications such as laser cutting, laser marking, laser cleaning, and laser welding. Comprised of experienced teams and cutting-edge facilities, our company is committed to providing comprehensive and innovative laser equipment solutions.
Evolving from an Intelligent Laser Equipment Division, our company also operates a Small Laser Equipment Division and a Laser Application Display division, allowing us to maintain constant communication with leading laser accessory suppliers in the United States and China. It is this international cooperative network that enables us to stay at the forefront of the latest scientific and technological advancements.
In addition, our personnel, including a reputable software development and automation design group, are well-versed in technology and innovation. We leverage our strength in technology and innovation to manufacture our own high-quality laser equipment in China, specifically, laser cutting machines, laser marking machines, laser cleaning machines, and a variety of laser welding products. With our strong technological foundation, we have the confidence to create custom solutions that cater to the specific needs of our clients.
Our commitment to quality is further evidenced by our company's compliance with SGS ISO 9001 standards for quality control, international AS audits, and obtaining EU CE and FDA certifications for our products. We actively export our products to over 60 countries around the globe, guaranteeing high-quality products andservices for clients worldwide.
1. who are we?
We are based in Jiangsu, China, start from 2009,sell to North America(20.00%),South America(10.00%),Africa(8.00%),Southeast Asia(8.00%),Eastern Europe(8.00%),Oceania(6.00%),Domestic Market(5.00%),South Asia(5.00%),Southern Europe(5.00%),Northern Europe(5.00%),Central America(5.00%),Western Europe(5.00%),Eastern Asia(5.00%),Mid East(5.00%). There are total about 51-100 people in our office.
2. how can we guarantee quality?
Always a pre-production sample before mass production;
Always final Inspection before shipment;
3.what can you buy from us?
Laser Welding Machine, Laser Cleaning Machine, Laser Cladding Machine, Laser Marking Machine, Metal Slabs
4. why should you buy from us not from other suppliers?
15 years experience in laser product development.
Products can be customized according to customers.
5. what services can we provide?
Accepted Delivery Terms: FOB,CFR,CIF,EXW,FAS,CIP,FCA,CPT,DEQ,DDP,DDU,Express Delivery,DAF,DES;
Accepted Payment Currency: USD,EUR,JPY,CAD,AUD,HKD,GBP,CNY,CHF;
Accepted Payment Type: T/T,L/C,D/P D/A,MoneyGram,Credit Card,PayPal,Western Union,Cash,Escrow;
Language Spoken: English,Chinese,Spanish,Japanese,Portuguese,German,Arabic,French,Russian,Korean,Hindi,Italian
New products from manufacturers at wholesale prices