Share on (1601268567010):
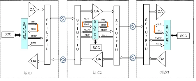
Basic function | Complete the receiving and sending control and processing of signals of two optical monitoring channels. Supports transparent transmission of two FE electrical signals. Supports IEEE 1588v2 features. Supports the physical layer clock. Supports a maximum of 37.5dB cross-segment transmission. (Excluding SFIU/FIU losses) Instructions: The AST2 board does not support IEEE 1588v2 when installed in slots 3 and 4 of the OptiX OSN 9800 universal platform. | ||||||
Technical characteristic | The optical monitoring channel does not limit the distance between two optical line amplifiers, and the failure of the line amplifier does not affect the performance of the optical monitoring channel. The board is independent from the main control board. That is, the board can automatically pass through the ECC channels of the two pairs of optical ports on the board when the main control board is not located, thus ensuring monitoring of other stations. | ||||||
Refresh function | The signal transmission of the board is segmented and has a 3R function, and at each optical amplifier relay station, the signal can be correctly received, and a new monitoring signal can be attached. | ||||||
Operating wavelength | When used with SFIU, it is recommended that the operating wavelength of TM1 be 1511nm and that of TM2 be 1491nm. When used with FIU, the operating wavelength is 1511nm. | ||||||





New products from manufacturers at wholesale prices