Share on (1601271190709):
UCFC203 Flange Pillow Block Bearing UC203 Bearing Housing FC203
Introduction:
Pillow Block UCFC203 consist of the insert ball bearing and house, the inster bearing is the deep groove ball bearings with wide inner rings, it insert in housingwork as an unit bearings. The housing are mainly casting or pressed steel. The bearing unit are compact in design with perfect sealing devices, they can alignwith easy during operation and can be conveniently mounted or dismounted. When mounted in appropriate housings to form housed bearing units, they are able tocompensate for initial errors of alignment.
Features:
1.Series: UCF series, UCP series, UCFL series, UC series, etc.
2.Tolerance: ABEC-1, ABEC-3, ABEC-5
3.Bore size: 12 to 100 mm; Outside diameter:47 to 215 mm
Application:
Pillow block bearing UCFC203 is widely used in various of machinery, especially in food machine. Also UCFC203 can be used into pharmaceutical machinery, conveyering systems, photo & film processing machinery, spin machine,dying & printing machinery,etc.
Specification for part of designations
| Model | Basic size(mm) | Weight (kg) | ||
| L | d | B | ||
| UCFC201 | 100 | 12 | 31 | 0.89 |
| UCFC202 | 100 | 15 | 31 | 0.87 |
| UCFC203 | 100 | 17 | 31 | 0.86 |
| UCFC204 | 100 | 20 | 31 | 0.84 |
| UCFC205 | 115 | 25 | 34.1 | 0.97 |
| UCFC206 | 125 | 30 | 38.1 | 1.18 |
| UCFC207 | 135 | 35 | 42.9 | 1.55 |
| UCFC208 | 145 | 40 | 49.2 | 1.85 |
| UCFC209 | 160 | 45 | 49.2 | 2.42 |
| UCFC210 | 165 | 50 | 51.6 | 2.71 |
| UCFC211 | 185 | 55 | 55.6 | 3.9 |
| UCFC212 | 195 | 60 | 65.1 | 4.55 |
| UCFC213 | 205 | 65 | 65.1 | 5.11 |
| UCFC214 | 215 | 70 | 74.6 | 6.4 |
| UCFC215 | 220 | 75 | 77.8 | 6.92 |
| UCFC216 | 240 | 80 | 82.6 | 8.6 |
| UCFC217 | 250 | 85 | 85.7 | 9.83 |
| UCFC218 | 265 | 90 | 96 | 12.24 |
| UCFCX05 | 111 | 25 | 38.1 | 1.1 |
| UCFCX06 | 127 | 30 | 42.9 | 1.5 |
| UCFCX07 | 133 | 35 | 49.2 | 1.8 |
| UCFCX08 | 133 | 40 | 49.2 | 1.8 |
| UCFCX09 | 155 | 45 | 51.6 | 2.5 |
| UCFCX10 | 162 | 50 | 55.6 | 2.86 |
| UCFCX11 | 180 | 55 | 65.1 | 4 |
| UCFCX12 | 194 | 60 | 65.1 | 4.6 |
| UCFCX13 | 194 | 65 | 74.6 | 5.08 |
| UCFCX14 | 222 | 70 | 77.8 | 7.4 |
| UCFCX15 | 222 | 75 | 82.6 | 7.4 |
| UCFCX16 | 260 | 80 | 85.7 | 11.5 |
| UCFCX17 | 260 | 85 | 96 | 11.1 |
| UCFCX18 | 260 | 90 | 104 | 11.3 |
| UCFCX20 | 276 | 100 | 117.5 | 18.19 |
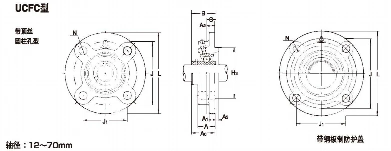
Drawing
Images

![20071119233641347027_Pillow_block_bearing_UC_UCF_UCP_UCT_UCFL_UK_SN_Series[1]](http://sc01.alicdn.com/kf/HTB1VL_bblcXBuNjt_Xoq6xIwFXaC/200573628/HTB1VL_bblcXBuNjt_Xoq6xIwFXaC.jpg)

3. By Sea: We can offer you FOB Shanghai, FOB Guangzhou etc.
1. We are Professional bearing factory since 2004.We offer high quality bearing with competitive price.
2. 24-hour response on line and provide technical support.
3. Huge stock goods ensure you Very Short Delivery Time(Generally 1- 3 days after payment for stocks, 15 - 30 days for OEM and new items.
4. Good after-sale service (12 months quality warranty, money can be deducted or refund if any quality problem).
5. OEM/Customized service are welcomed.
6. Various kinds of bearings and brands available.
7.100% test the quality and packing before delivery.
8. Free sample available.
Our factory was founded in 2004, We are a professional manufacturer of ball bearings and roller bearings, including deep groove ball bearing, self-aligning bearing, cylindrical roller bearing, tapered roller bearings, with our good team work and hard working of skillful staffs and our professional engineers, we got very good reputation in the world market, especially in American and European countries. Thanks for every customer's support and trust, our company hope to establish mutual benefit and development business relations with you!



...
New products from manufacturers at wholesale prices