Share on (1601272212201):
What is the APPLICATION of our MINI CURRENT TRANSFROMER?
l
l What is FEATURES of our MINI CURRENT TRANSFORMER?
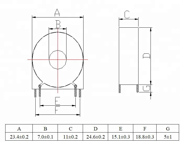
What is SPECIFICATION of our CURRENT TRANSFORMER?
| Brand Name | Zentar |
| Model No. | PCT701 |
| Rated current | 5A |
| Application | Residual current circuit breaker,ALCI |
| Certificate | ISO9000, ISO14000&ROHS |
| Accuracy | 0.5 |
| Color | Black |
| Core | Permalloy |
| Type | Pin Type |
| Load resistance | 10Ω |
| Max Primary Current | 60A |
| Rated Secondary Current | 5mA |
| Dielectric Withstanding Voltage | 1600Vrms/2 secondary between SEC./PRI. |
| Rated Frequency | 50~60 HZ |
We have various of cetificates as below.


Our products are 100% inspected before shipping.
We attend 2018 GER electronica.

Packed in cartons with 16 pieces per box.
Why choose us as CURRENT TRANSFORMER SUPPLIER?
Q1: Could you send us samples we required?
A1: SURE. If your data sheet matches our current ct, we will send you FREE samples.
However, if yours is not in our list, we will make a new mould.
Q2: How can we buy your current transformer?
A2: Click SEND Now!
New products from manufacturers at wholesale prices