Share on (1601273099424):




By changing the extruder mold, variety shape can be designed according to client market demand.


Item | Motor | Inverter | Electric parts |
Brand | Siemens Beide | Delta | ABB |
Original | Germany | Taiwan of China | Switzerland |
Warranty | 2 year | 2 year | 2 year |


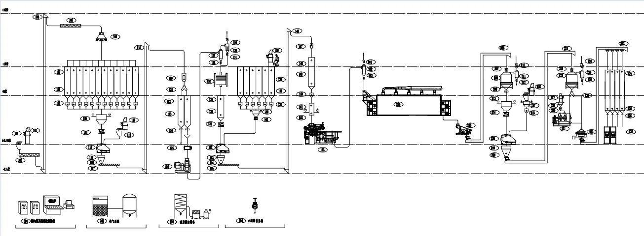
Build with dust collection device, which could realize environment protection when crush the mixed ingredients into powder.

Mix the batched raw materials under PLC control system. The blender is matched with buffer hopper to guarantee continuous
supplying of mixed ingredients to next equipment.

Including key equipment: preconditioner and extruder.The double shaft preconditioner is designed with steam, liquid and oil
adding inlet. The extruder is equipped with double shaft modular screw

Multi-layer recirculating oven with hot air circulation and dehumidify system. Small standing area and good drying effect.

For grease, attractants, flavors coating, the adding amount could controlled automatically.

Counter flow cooler is used to cool the pet food or fish feed to room temperature before packing.

Weigh and pack products into different size bag. The sealing way could be sewing sealing or thermal sealing or both.









Q1. What is your terms of packing?
A: Generally, we pack our goods in wooden cases and plastic bags packing.
we can pack the goods in your branded boxes after getting your authorization letters.
Q2. What is your terms of payment?
A: T/T 30% as deposit, and 70% before delivery. We'll show you the photos of the products and packages
before you pay the balance.
Q3. What is your terms of delivery?
A: EXW, FOB, CFR, CIF, etc.
Q4. How about your delivery time?
A: Generally, it will take20 to 40 days after receiving your advance payment. The specific delivery time depends
on the items and the quantity of your order.
Q5. Can you produce according to the samples?
A: Yes, we can produce by your samples or technical drawings. We can build the molds and fixtures.
Q6. What is your sample policy?
A: We can supply the sample if we have ready parts in stock, but the customers have to pay the sample cost and
the courier cost.
Q7. Do you test all your goods before delivery?
A: Yes, we have 100% test before delivery
Q8: How do you make our business long-term and good relationship?
A:1. We keep good quality and competitive price to ensure our customers benefit ;
2. We respect every customer as our friend and we sincerely do business and make friends with them,
no matter where they come from.

New products from manufacturers at wholesale prices