Share on (1601281905899):

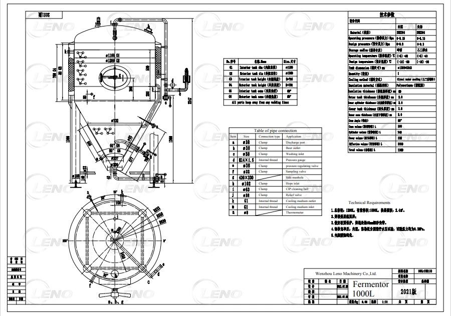
Capacity | 50L to 30000L (1BBL to 100BBL) | ||
Jacket | Dimple type jacket for Glycol cooling ,with50-80mm PUF insulation layer | ||
Processing | Fermenting | ||
Manhole | Shell Side manhole ( top manhole is optional) | ||
Thickness | 3mm | ||
Volume design | Properly according to the capacity requests | ||
Certification | ISO9001 / CEI TUV | ||
Interior shell | Polished | ||
Exterior shell | 2B Plate | ||
Material | Stainless Steel AlSI 304 or AISI 316 | ||
Design pressure of the tank | 1.5bar | ||
Design pressure of the jacket | 3.0bar | ||
Parts details | 60 degree cone bottom | ||
with an of 25% head space | |||
25% head space | |||
Rotating racking port | |||
Side manway hole, shadowless | |||
Polyurethane insulation | |||
CO2 blowoff arm | |||
Sample Valve | |||
temperature gauge sensor | |||
pressure relief valve | |||


Technical Parameters | ||||||||
Model | Capacity(L) | Diameter(mm) | Height(mm) | conical degree | ||||
7BBL | 1113L | 1000 | 1250 | |||||
10BBL | 1590L | 1150 | 1250 | |||||
15BBL | 2385L | 1250 | 1680 | |||||
20BBL | 3180L | 1400 | 1700 | |||||
30BBL | 4770L | 1650 | 1850 | |||||
40BBL | 6360L | 1750 | 2050 | |||||
50BBL | 7950L | 1750 | 2750 | |||||
60BBL | 9540l | 1850 | 2800 | |||||
80BBL | 12720L | 2100 | 2900 | |||||
100BBL | 15900L | 2200 | 3350 | |||||
We Can Customize The Equipment According To Your Requirements. | ||||||||












1. | Are you trade or manufacturer? |
We are a factory with an international sales company specialized in support for global distributors. | |
2. | Can you provide instant technical consulting services? |
We are able to discuss technical details and offer suggestions over the phone in English. You can get the answers in minutes, instead of days. | |
3. | What is the payment terms? |
We accept Alibaba Trade Assurance Order, also can T/T and L/C. | |
4. | How to choose the shipment way? |
It is according to the order quantity, delivery time, costs and customs policy etc. (Or decide by customers) | |
5. | How about the after-sales service? |
Ast after-sales support. Our products have a one-year warranty and free permanent consulting services. | |
6. | what can you buy from us? |
Stainless steel tank, mixing equipment, sanitary pump, distillation equipment, Vacuum Concentrator |

New products from manufacturers at wholesale prices