Share on (1601282230907):




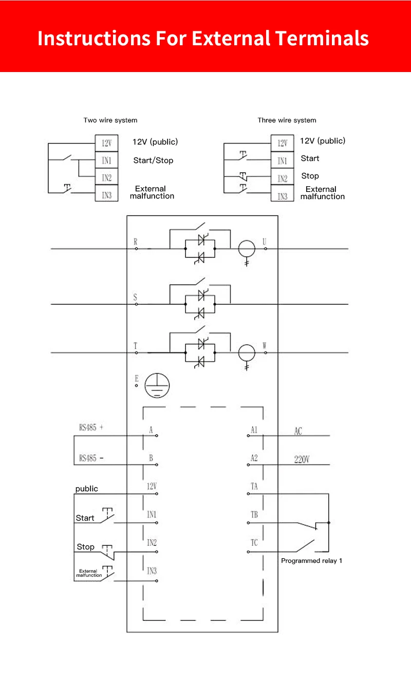
Terminal Type | Terminal No. | Terminal Name | Instruction | ||||
Main Circuit | R,S,T | Power Input | Soft start three-phase AC power input | ||||
U,V,W | Soft Start Output | Connect three-phase asynchronous motor | |||||
Communication | 485- | RS485- | For ModBusRTU communication | ||||
485+ | RS485+ | ||||||
Digital Input | 24V | Public | 24V common | ||||
IN1 | Start | Short connection with commonterminal (24V) Startable soft start | |||||
IN2 | Stop | Disconnect from the common terminal (24V)to stop the start soft start | |||||
IN3 | External Fault | Disconnect from the common terminal (24V)to stop the start soft start | |||||
Analog Output | AO | 4-20ma Output "+" | 4-20ma Output | ||||
GND | 4-20ma Output "-" | ||||||
Programming Relay 1 | TA1 | Programming relay common | Programmable output, available from Choose from the followin functions: 0.No action 1.Power-on action 2.Soft start action 3.Bypass action 4.Soft stop action 5.Runtime actions 6.Standby action 7.Failure action | ||||
TB1 | Programming relay normally closed | ||||||
TC1 | Programming relay normally open | ||||||
Programming Relay 2 | TA2 | Programming relay normally open | |||||
TC2 | |||||||











New products from manufacturers at wholesale prices