Solar pv mounting Bracket System Mount Photovoltaic Bracket support

Share on (1601357748266):


Price:$11.00

Quantity:


Product Overview

Description


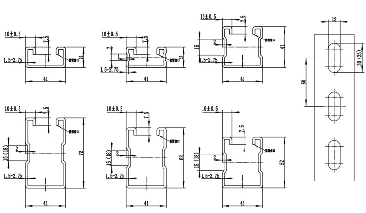
  Solar ground mounting system is manufactured in zinc-mg-aluminum steel plates and can be used in a variety of conditions using concrete foundations and ground screws for different panel arrays.  Using zinc magnesium aluminum steel structure, this solar mount type has a huge market advantage.


1.   100% high strength zinc magnesium aluminum steel plate, good corrosion resistance, but also automatic repair.
2.   High competitiveness on material cost.
3.   Easy and fast installation with unique design.
4.   Good processing performance, environmental protection and long service life.
5.   The coating weight is less, and the simplified process eliminates the hot dip plating after forming.


u.jpg


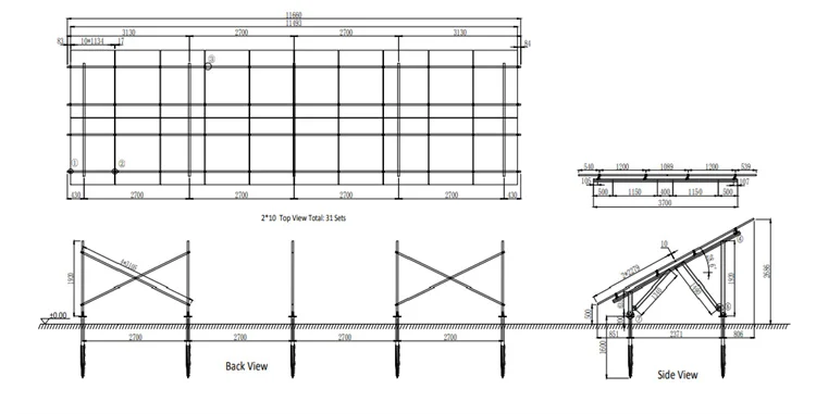
Fixed support 1PX25 Installation diagram - Model


1729642908159.jpg1729642948634.jpg


 


 


 


Technical Parameter













































Install SiteOpen Terrain
Tilt AngleDepends
Max Snow Load1.5KN/m²
Max Wind Speed42m/s
Module OrientationLandscape or Portrait
Foundation TypeConcrete Base or Screw Pile
MaterialZAM Steel/HDG
Warranty12 years quality guaranty
Place of OriginShandong, China
Service Life25 years 

5.jpg6.jpg7.jpg8.jpg


 


Q&A





Q: What's your delivery time?


A: For stock:3days, 12days for new production


 


Q: Can you send the samples?


A: Yes, free samples for your test. 


 


Q: Are you manufacture?


A: Yes, Our production experience is more than 12 years.


 


Q: Do you have OEM service?


A: Yes, we accept OEM service.


 


Q: How can I get the best price?


A: Send an inquiry to us and a professional will quote you.



0.1481 s.