State Of The Art Cryogenic Green Ammonia Facility 2000T/A NH3 Green Ammonia Production System for Sustainable Industry

Share on (1601372110699):


Price:

Quantity:


Product Overview

Description



Green Ammonia Technology, Ushering in a New Era of Clean Energy





Product Description






Product Parameters




WGA-2000 LAYOUTDIMENSIONS AND MAIN PARAMETERS
Unit
Length(M)
Width(M)
Height(M)
Cooling Water(T/h)
Electricity Consumption (kWh/h)
Floor Area (m2)
Hydrogen Preparation Unit
13
6
5.5
80
2500
78
Nitrogen Preparation Unit
10
6
2.9
10
60
60
Compression Unit
10
5
1.7
5
55
50
Ammonia Synthesis Unit
12
2.5
2.8
6
37.5
30
Refrigeration Unit
6
2.5
2.5
20
85
15




WGA-20000 LAYOUTDIMENSIONS AND MAIN PARAMETERS
Unit
Length(M)
Width(M)
Height(M)
Cooling Water(T/h)
Electricity Consumption (kWh/h)
Floor Area (m2)
Hydrogen Preparation Unit
60
28
10
800
25000
1680
Nitrogen Preparation Unit
15
7
4
100
600
105
Compression Unit
14
10
2.5
50
550
140
Ammonia Synthesis Unit
12
7
4.5
60
132
84
Refrigeration Unit
10
3.5
3
200
650
35


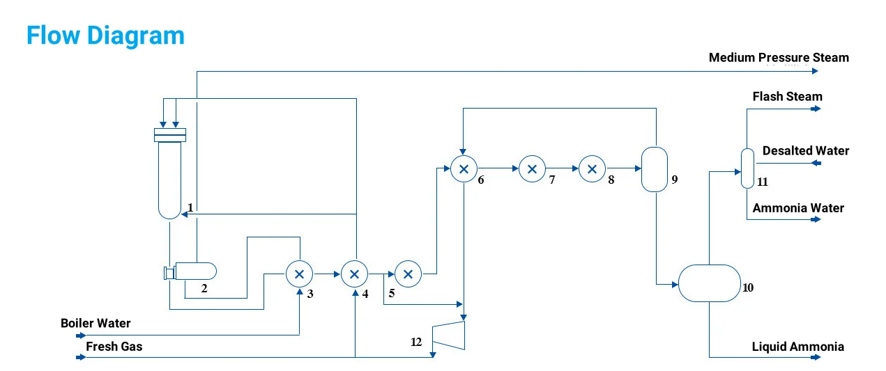
Technical Principle




1.Ammonia Synthesis Reactor
2.Waste Heat Boiler
3.Boiler Feed Water Preheater
4.Heat Exchanger
5.Water Cooler
6.Cold Exchanger
7.First-Stage Ammonia Cooler
8.Secondary Ammonia Cooler
9.Ammonia Separator
10.Flash Tank
11.Wash Ammonia Tower
12.Cycle Machine


Product Application




Project Case






Related products


Ammonia decomposition catalyst
Ammonia synthesis plant


Hydrogen production equipment
Nitrogen production equipment


Company Profile


Wobo's products cover the fields of new energy, energy, metallurgy, petrochemical, electronics, food, machinery, building materials, medicine, new materials, petrochemical, chemical fiber, heat treatment, glass, national defense and aerospace, and are sold to more than 100 countries and regions.

We strive to provide products with the highest quality and service, and complete with the highest standards. All our products have undergone rigorous testing, and now we have obtained CE, ISO, ASME . Our goal is 100% customer satisfaction, we will provide high-quality products and value-added services.












0.1421 s.