Share on (1683606174):
More than 20 years' motor design and production experience
90 million-piece annual capacity
Auto motors are almost entirely produced on automated lines
Facilities certified to IAFT16949:2016,ISO 9001:2008 and ISO 14001:2004
Advanced equipment from Sodick, Hexagon,Mitutoyo, Magtrol and Votsch
10% sales revenue invested in R&D and automatic equipment every year
Customer PPM: auto motors s 30;general motors s 3,000


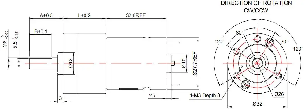
| Ratio | Model No. | Voltage | No Load | On Load | |||||||||
| Operating Range | Nominal Voltage | Current | Speed | Current | Torque | Speed | |||||||
| V | V | A | r/min | A | kg.cm | r/min | |||||||
| 1/5.8 | KM-32A360-5.8-061955 | 6.0-12.0 | 6 | 0.49 | 1955 | 2.5 | 0.5 | 1613 | |||||
| 1/17.3 | KM-32A360-17.3-06602 | 6.0-12.0 | 6 | 0.36 | 602 | 1.62 | 0.9 | 468 | |||||
| 1/31.3 | KM-32A365-31.3-24260 | 6.0-24.0 | 24 | 0.15 | 260 | 0.41 | 1.5 | 200 | |||||
| 1/105 | KM-32A360-105-1280 | 6.0-24.0 | 12 | 0.13 | 82 | 0.4 | 2 | 61 | |||||
| 1/278 | KM-32A360-278-1217.3 | 6.0-24.0 | 12 | 0.052 | 17.3 | 0.252 | 6 | 13.1 | |||||

A: Yes. Please kindly share the detailed requirements like performance, size, annual quantity, target price etc. Then we'll make our evaluation to see if we can arrange or not.
New products from manufacturers at wholesale prices