Share on (1800974398):
Applications:
This machine is suitable for surface polishing of natural and chemical fiber, knitted and gregarious fabrics. It is mainly used for processing of ordinal woolen, blanket and warp knitting fabrics. Its working efficiency is nearly twice as the ordinary polishing machine.
This high quality MB432 polishing machine is easy to operate and reliable with the following features compared to the congeneric machines:
1.Double polishing rollers double table lathes have good effect. The working efficiency is nearly twice as the ordinary polishing machine. The fore polishing roller is possible to run forward and reverse, polish velvet velludo when anticlockwise and polish velvet plain clockwise. Adopted big diameter polishing roller with large heat capacity. The working temperature is 75~250°C, controlled by professional temperature controller and solid state relay, the functions appear on the touch screen. Rectify the deviation of table lathe and belt automaticly by pneumatic device.
2.Fabric feeding motor and fabric output motor adopt inverters, the tension can be adjusted separately, the fabric speed can be chosen from 10 to 40m/min and it appears on the touch screen, the tension between each group of guiding rollers also can be adjusted.
3.Pre-spreading part and centering device are optional parts, suit for edge curling fabrics.
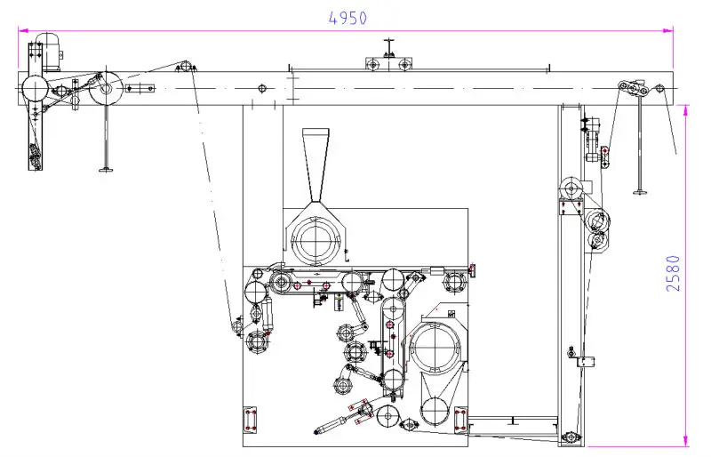
Main technical data
ITEM | DATA | ||
Nominal width (mm) | 2000 | 2500 | |
Diameter of poilishing roller (mm) | 370 | ||
Rotating speed (r/min) | 300-900 (Variable) | ||
Direction of rotation | Fore roller:Forward/Reverse Rear roller: Forward | ||
Polishing temperature (°C) | 250 | ||
Fabric speed (m/min) | 10-40 | ||
Heating power (Kw) | 57.6×2 | 59.7×2 | |
Motor power (kw) (Not include exhauster) | 26.25 | ||
Overall dimensions | (mm)L | 4950 | |
( ( mm)W | 4260 | 4760 | |
(m ( m)H | 3120 | ||









New products from manufacturers at wholesale prices