Share on (1887716414):
Single Phase Solid State Relay
Make sure the solid state relay heat emission, you can match the radiator according to your load current. For more information, please contact our customer service.
Small size 220V mini SSR solid state relay SSR-210B
Resistive load:
The simplest application for SSR is invariable resistive load. As long as the rated steady-state current and breaking voltage of the circuit are within the allowable range of SSR, the relay could work reliably.
Lamp Load:
Incandescent lamp, which is although basically belong to resistive load, also has some special problems.This is because that the resistance of cold tungsten filament is about 1/10 of the one of hot tungsten filament, there will be a very high start current.Therefore, the start current must be limited within the endurable range stipulated by solid state relay.
Capacity Load:
Although the capacity load is not so common.it is applied sometimes.Take particular care for capacity load of low impedance, and do not exceed di/dt of SSR.if there is no extra limiting impedance, capactive load di/dt could reach near infinite during charging, it is a very useful way to limit capacitive load di/dt by zero-voltage conduction. Pay attention to the safety range of maximum blocking voltage during SSR using, it will result in a quite destructive di/dt value when it discharges near peak line voltage, which will easily make the load conduction, so transient voltage of capacitvie load must be limited. For large capacitive load, it is very necessary to limit the di/dt within the stipulated value by series circuit impedance, which can protect the SSR suffering accidental and unavoidable high transient voltage
Inductive Load:
Although AC SSR is cut off during zero current, there is still problem due to other phenomenon. On the moment of zero current, SSR will “change over”(reverse current direction). SSR does not make conduction on the moment of reverse, and all of the transient line voltage is bridged over on the connection terminal, which produces a high dv/dt (voltage variation velocity) capable to make the SSR conduction immediately and “lock up” state appear without release. Most AC solid state relay has RC for enhance of resistance performance to dv/dt, there will be very high counter-electromotive force when DC inductive load is open, and the DC SSR can control inductive load reliably by adding freewheeling diode in the two terminals of the load
Transformer load:
When SSR is used to control primary load of transformer, the characteristic of secondary load should be examined, as the primary load can be made as one part of effective load of SSR, meanwhile, the transient voltage of secondary load circuit is transferred and applied to SSR. According to magnetic flux condition during transformer breaking, there may be a special problem, namely, the transformer may be saturated in the first half cycle of consecutive voltage application, this saturation phenomenon may cause a very high current(10 to 100 times of rated primary current) applied on SSR, which exceeds the surging value of half cycle. In such condition, compared to zero-voltage conduction SSR, random conduction SSR has stronger life force, as it generally required tat the transformer should only bear one part of first half cycle voltage, by contraries, zero-voltage conduction SSR usually closes in zero-voltage point (starting point of half cycle), so that the SSR must endure the worst condition, namely,saturated current.There is a big differences of severity degree for transformer’s saturated current, and it is mainly subject to magnetic material of transformer, saturated primary impedance, circuit impedance, etc.
SPECIFICATIONS :
Load Voltage | 24~380VDC |
Load Current | 10A,20A |
Control Voltage | DC3-32VDC |
Control Current | DC6-12mA |
On Voltage | ≤1.5v |
On leakage Current | ≤4mA |
On-off time | ≤10mS |
Dielectric Strength | 1500VAC |
Insulation Resistance | 100MΩ/500VDC |
Ambient Temperature | -20~+70°C |
Mounting Method | Bolt Fixing |
Working Station Indicator | / |
Weight | 30g |
Small size 220V mini SSR solid state relay SSR-210B
OPERATION NOTICE:
1. Resistive load could not exceed 60% of the rated current.
2. Inductive or capacitive load could not exceed 40% of the rated current.
3. Electric machine load could not exceed 20% of the rated current.
4. Proper radiator adapted to the working requirement of solid state relay should be equipped, the allowance should be widened when the load radiating condition is not so good. Short-circuit load is not allowable.
5. Over current protection: over current and short circuit are the main reasons for permanent damage of output controllable silicon in the SSR, and using fast fuse and air switch is one of methods for over current protection, fuse is also available for small capacity.
6. Over voltage protection: It can adopt parallel voltage-dependent resistance(MOV), the MOV area decides the absorption power, while its thickness decides the protective voltage value, generally, 471/10D voltage-dependent resistance for 220V series SSR, 681/10D voltage-dependent resistance for 380V series SSR, 821/10D voltage-dependent resistance for 480V series SSR.
Small size 220V mini SSR solid state relay SSR-210B
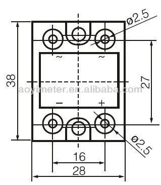
DIMENSIONS SHOWING:


Small size 220V mini SSR solid state relay SSR-210B
HARDWARE SCHEM:


New products from manufacturers at wholesale prices