Share on (2013445943):
XU050077 crossed roller bearing for cnc machine| Machine tool bearing
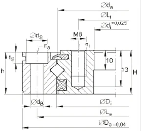
(Integrated Inner/Outer Ring Type)

XU series:Since the mounting holes are provided, XU050077 crossed roller bearing does not require a presser flange or housing.In addition, because it has an integrated inner/outer ring structure and is equipped with washers, its performance is minimally affected by the mounting procedure, ensuring stable rotation accuracy and torque. This model can be used for both inner-ring rotation and outer-ring rotation.


Model number | Main dimensions | Basic load rating (axial) | Basic load rating(radial) | weight | |||||||||
inner ring d (mm) | outer ring D (mm) | Roller pitch circle diameter dp (mm) | width B (mm) | φLa |
na | φLi | ni | Ca KN | C0a KN | Cr KN | Cor KN | Kg | |
XU050077 | 40 | 112 | 77 | 22 | 97 | 6-φ6.6 | 56 | 6-M8 | 22.4 | 29 | 14.3 | 14.2 | 1.4 |
XU060094 | 57 | 140 | 94 | 26 | 120 | 6-φ9 | 70 | 6-M8 | 32.5 | 37.5 | 20.7 | 18.4 | 2.4 |
XU060111 | 76.2 | 145.79 | 111 | 15.87 | 133.1 | 8-φ6.9 | 88.9 | 8-φ6.9 | 36 | 44.5 | 22.8 | 21.5 | 1.2 |
XU080120 | 69 | 170 | 120 | 30 | 148 | 6-φ9 | 90 | 6-M8 | 56 | 53 | 35.5 | 26 | 4 |
XU080149 | 101.6 | 196.85 | 149.6 | 22.22 | 177.8 | 16-φ6.9 | 115.8 | 16-φ6.9 | 63 | 66 | 40 | 32.5 | 3.6 |
XU120179 | 124.5 | 234 | 179 | 35 | 214 | 12-φ11 | 144.5 | 12-φ11 | 118 | 179 | 75 | 88 | 7 |
XU120222 | 140 | 300 | 222 | 36 | 270 | 12-M16 | 170 | 12-φ18 | 133 | 275 | 85 | 131 | 12 |
XU160260 | 191 | 329 | 260 | 46 | 305 | 20-φ14 | 215 | 20-φ14 | 212 | 350 | 135 | 173 | 16 |
XU080264 | 215.9 | 311 | 264 | 25.4 | 295.3 | 12-φ8.7 | 231.8 | 12-φ8.7 | 85 | 117 | 54 | 57 | 6.9 |
XU160405 | 336 | 474 | 405 | 46 | 450 | 30-φ14 | 360 | 30-φ14 | 270 | 550 | 172 | 270 | 25 |
XU080430 | 380 | 480 | 430 | 26 | 462 | 20-φ9 | 398 | 20-M10 | 110 | 280 | 70 | 138 | 12 |
XU300515 | 384 | 646 | 515 | 86 | 598 | 18-φ26 | 432 | 18-φ26 | 720 | 1370 | 455 | 670 | 115 |
BYC Boying Bearings can produce percision crossed roller bearings and YRT rotary table bearings as THK/INA/IKO quality,which percision grade reach to P4/P2.
Crossed roller bearings RB series:
RB4010,RB4510,RB5013,RB6013,RB7013,RB8016,RB9016,RB10016,RB10020,RB11012,RB11015,RB11020,
RB12016,RB12025,RB13015,RB13025,RB14016,RB14025,RB15013,RB15025,RB15030,RB16025,RB17020,RB18025,
RB19025,RB20025,RB20030,RB20035,RB22025,RB24025,RB25025,RB25030,RB25040,RB30025,RB30035,RB30040,
RB35020,RB40035,RB40040,RB45025,RB50025,RB50040,RB50050,RB60040,RB70045,RB80070,RB90070,RB1000110
,RB1250110
Crossed roller bearings SX series:
SX011814,SX011818,SX011820,SX011824,SX011828,SX011832,SX011836,SX011840,SX011848,SX011860,SX011868
,SX011860,SX0118/500
Crossed roller bearings XSU series:
XSU080168,XSU080188,XSU080218,XSU080258,XSU080318,XSU080398, XSU140414,XSU140544,XSU140644,
XSU140744,XSU140844,XSU140944
Crossed roller bearings RA series:
RA10008,RA11008,RA12008,RA13008,RA14008,RA15008,RA16013,RA17013,RA18013,RA19013,RA20013
Crossed roller bearings RE series:
RE4010,RE4510,REB5013,RE6013,RE7013,RE8016,RE9016,RE10016,RE10020,RE11012,RE11015,RE11020,
RE12016,RE12025,RE13015,RE13025,RE14016,RE14025,RE15013,RE15025,RE15030,RE16025,RE17020,RE18025,
RE19025,RE20025,RE20030,RE20035,RE22025,RE24025,RE25025,RE25030,RE25040,RE30025,RE30035,RE30040,
RE35020,RE35025,RE40035,RE40040,RE45025,RE50025,RE50040,RE50050,RE60040
Crossed roller bearings RU series:
RU124G,RU148G,RU178G,RU228,RU297,RU445,RU228X,RU297X,RU445X,RU228G,RU297G,RU445G
Crossed roller bearings CRB series:
CRB4010,CRB4510,CRB5013,CRB6013,RB7013,CRB8016,CRB9016,CRB10016,CRB10020,CRB11012,CRB11015,
CRB11020,CRB12016,CRB12025,CRB13015,CRB13025,CRB14016,CRB14025,CRB15013,CRB15025,CRB15030,
CRB16025,CRB17020,CRB18025,CRB19025,CRB20025,CRB20030,CRB20035,CRB22025,CRB24025,CRB25025,
CRB25030,CRB25040,CRB30025,CRB30035,CRB30040,CRB35020,CRB40035,CRB40040,CRB40070,CRB45025,
CRB50025,CRB50040,CRB50050,CRB50070,CRB60040,CRB60070,CRB600120,CRB70045,CRB70070,CRB700150,
CRB80070,CRB800100
Crossed roller bearings CRBC series:
CRBC4010,CRBC4510,CRBC5013,CRBC6013,CRBC8016,CRBC9016,CRBC10020,CRBC11020,CRBC11020,CRBC12025
,CRBC13025,CRBC14025,CRBC15025,CRBC15030,CRBC20025,CRBC20030,CRBC20035,CRBC25025,CRBC25030,
CRBC25040,CRBC30025,CRBC30035,CRBC30040,CRBC40035,CRBC40040,CRBC40070,CRBC50040,CRBC50050,
CRBC50070,CRBC60040,CRBC60070,CRBC600120,CRBC70045,CRBC70070,CRBC700150,CRBC80070,CRBC800100
Crossed roller bearings CRBH series:
CRBH10020A,CRBH11020A,CRBH12025A,CRBH13025A,CRBH14025A,CRBH15025A,CRBH20025A,CRBH25025A
Rotary Table Bearings:
YRT series(Standard percision grade as INA):
YRT50,YRT80,YRT100,YRT120,YRT150,YRT180,YRT200,YRT260,YRT325,YRT395,YRT460,YRT580,YRT650,YRT850,
YRT950,YRT1030,YRT1200
YRTS series(Standard percision grade as INA):
YRTS200,YRTS260,YRTS325,YRTS395,YRTS460,YRTS580
YRTM series(Standard percision grade as INA):
YRTM150,YRTM180,YRTM200,YRTM260,YRTM325,YRTM395,YRTM460,YRTM580
ZKLDF series(Standard percision grade as INA):
ZKLDF100,ZKLDF120,ZKLDF150,ZKLDF180,ZKLDF200,ZKLDF260,ZKLDF325,ZKLDF395,ZKLDF460,ZKLDF580
//lyboying.goepe.com //vuker0937.1688.com
1. Industrial Neutral Packing
2. Package as your requirements.
3. Small size Bearings:Plastic vacuum packaging bag+Paper Box/Neutral Carton
4.Large size Bearings:Plastic film+pergamyn paper+Roll tape+Wooden Box
5.Shipping:By air or By sea:DHL/TNT/UPS/EMS etc

1.Your inquiry to our product & price will be replied within 24 hours.
2.Well-trained & experienced staff are to answer all your inquiries in English of course.
3.OEM & ODM projects are highly welcomed. We have strong R&D team here to help.
4.Your business relationship with us will be confidential to any third party.
5.Good after-sale service offered, please get back if you got question
6.Nowadays, as a professional percision bearing manufacture, we are proud of continual innovation, flexible production, speedy delivery, rapid after-sales service(2 years) and quick response.


New products from manufacturers at wholesale prices