Share on (208566607):


♦
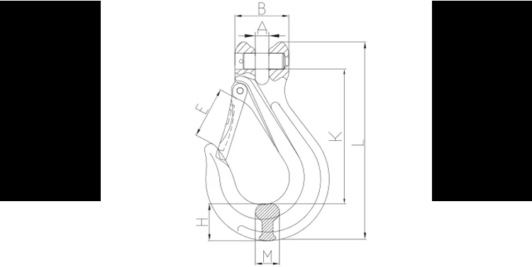
PRODUCT DESIGN DRAWING
SLR-104 Clevis Sling HOOK

♦
PARAMETERS
| ITEM NO. | WEIGHT(Kg) | WLL(T) | B.L(T) | A±2 | B±2 | M±2 | H±3 | K±3 | L±2 |
| 8-SLR-104-6 | 0.4 | 1.5 | 6 | 7 | 31 | 16 | 20.5 | 77 | 110 |
| 8-SLR-104-7/8 | 0.54 | 2 | 8 | 9.2 | 35 | 20 | 22 | 94 | 134 |
| 8-SLR-104-10 | 1 | 3.15 | 12.6 | 12.5 | 48 | 23.5 | 29.5 | 111 | 163 |
| 8-SLR-104-13 | 1.88 | 5.3 | 21.2 | 16.5 | 57 | 32 | 38 | 139 | 206 |
| 8-SLR-104-16 | 3.35 | 8 | 32 | 18.5 | 74 | 34.5 | 48.6 | 163 | 246 |
| 8-SLR-104-20 | 7.55 | 12.8 | 51.2 | 24 | 81.5 | 42 | 71 | 198 | 306 |
♦ Notes ♦
1) Before each use, the operator must perform a safety inspection on the sling and use it only after being qualified;
2) The sling must be inspected regularly by professionals (trained qualified personnel) every month;
3) If it is found that the dimensional wear of the sling is greater than 5% of the original size, it must be replaced in time;
4) If it is found that the amount of dimensional deformation exceeds 3% of the original size, it must be replaced in time to ensure safety.


Forging or casting with high-quality raw materials
Strengthen source management and select high-quality materials.
Shandong Shenli Rigging is skilled at craftsman at heart.

Test piece by piece at 2.5 times working LOAD LIMIT
Every set of magical rigging must pass the standard test.
Thousands of roads, safety first, quality clearance is our first criterion.

Magnetic particle inspection for all products
Each set of magic rigging must be magnetic particle inspection.
Non-destructive testing Preventing trouble before it happens .
magnetic particle inspection makes you safe and secure.

♦
COMPANY PRODUCT DISPLAY AND PACKAGING

♦
COMPANY LIVE

♦
WORKSHOP EQUIPMENT

♦
CERTIFICATIONS

···
Authoritative certification Trustworthy
♦
COMPANY HONOR

Selling is just the beginning ...
Genuine security
The products sold from this store are genuine products of Shandong Shenli Rigging Co., Ltd. Please rest assured.
Color difference description
The product pictures in the product details page are used for store decoration. Please refer to the actual product for color and texture.
Shipping methods
In order to meet the different needs of everyone, please contact customer service to negotiate the transportation method of the goods.
Delivery time
In view of the particularity of the rigging industry, the surface of the product and the typing of the product itself must be customized at any time according to customer requirements.Please contact customer service for delivery time.
Other considerations
Scrap standards:
1) crack;
2) The wear on the dangerous section is 10% of the original size;
3) The opening degree is increased by 15% than the original size;
4) The torsional deformation of the hook body exceeds 10%;
5) Dangerous section of hook or plastic deformation of hook neck;
6) The size of the hook after the handle is corroded is less than 90% of the original size;
7) When the bushing bushing wear reaches 50% of the original size, the bushing should be replaced;
8) When the abrasion of the hook mandrel reaches 5% of the original size, the mandrel should be replaced.
♦
FAQ
Q1. Why choose us?
1. Shandong Shenli Rigging Co., Ltd. was founded in 1965. It covers an area of 121,100 square meters and a construction area of about 70,000 square meters. It currently has 965 employees, including 97 engineering and technical personnel.
2. We are a professional rigging product development, production and sales company, providing you with one-stop service. At present, the leading products include more than 3,000 varieties and specifications, such as 80-level and 100-level double-link buckles, hooks, chain regulators, strong rings, and rigging accessories, all of which are national patent products and provincial-level technological innovation products.
3. The company actively promotes scientific and technological innovation. The product manufacturing process adopts EU EN1677 foreign advanced technology standards, and has passed ISO9001 / ISO14001 / OHSAS18001: quality / environment / occupational health and safety management system certification, and passed EU CE, German GS product quality and safety Certified.
4. The company's products are exported to Europe, the United States, Russia, Australia, South America, the Middle East, Southeast Asia and Africa and other countries and regions. Products are underwritten by China Property Insurance Company (PICC) to provide customers with quality assurance.
Q2. Can I add my own logo to the product?
Yes. We provide a service to add the customer's company logo to the product. We will reach an agreement with each other and will not make the product with your logo available to others.
Q3. Are OEM and ODM acceptable?
Yes, we can produce according to customer's drawings, samples or requirements. And you can do the marking on the product and packaging according to requirements.
Q4. Can I visit the company in person?
A: We welcome your visit and will introduce related products in detail and thoughtfully according to your needs.

| CONTACT US |
Tel: 0086-537-6988899
Fax: 0086-537-69888978/0086-537-6388979
Global Service Hotline:400-0537-777
Web:www.shenlirigging.com
Add: No. 9 Jiacheng Road, Jining Economic Development Zone, Jining City, Shandong Province, China
New products from manufacturers at wholesale prices