Share on (220068242):
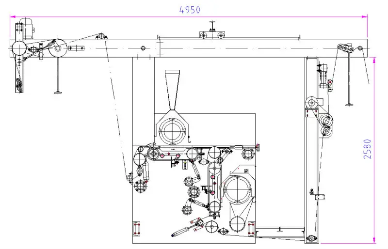
Bigger diameter of polishing roller and good tigering results, ensure better polishing effects, especially for plush.
Belts, combined one horizontal and another vertical, prolong the cooling time between two polishing rollers.
The pressure between belts and the polishing roller adjusted by a decelerator and the distance displayed as a digital on the touch screen.
Fabric speed adjusted by inveter system, fabric tension changed easily.




New products from manufacturers at wholesale prices