Share on (243564340):
P/N: Double group combination type micro switch
Model No.: RV-165S-1C5/2

Rated data and performance
Item Type | RV-21, RV-16, RV-11 | RV-3 | |
Allowable operating speed | 0.1mm~1m/s (pin plunge type) | ||
Allowable operating frequency | Mechanical 600 operations/min Electrical 30 operations/min | ||
Insulation resistance | 100 mΩ min. (at 500VDC ) | ||
Contact resistance (initial value ) | Max 15mΩ | Max 30mΩ | |
Dielectric strength | Between the non-continuous terminals | 1,000VAC, 50/60HZ for 1min | |
Between non voltage metal parts and each terminal | 2000VAC, 50/60HZ for 1min | ||
Between the grounding and the each terminal | |||
Vibration resistance | Malfunction | 10 to 55HZ, 1.5mm double amplitude (contact gap is less than 1ms ) | |
Shock resistance | OF 0.49N type: less 98m/s2 OF 1.96N,3.29N type :less 294m/s2 OF 0.98 N type : 196m/s2 | ||
Expected Life | Mechanical life (order OT) | 100,000 operations min. (frequency is 20 operations/min) | |
Electrical life(resistive load ) | 300,000 operations min. (frequency is 20 operations/min) | ||
Ambient operation temperature & Ambient humidity | -25~+80(with no icing ), 85%RH max. (+5~35) | ||
Contact material | AgNi alloy ; AgCdO alloy (not in the ROHS order ) | ||
Weight | Approx. 6.2g(pin plunger type ) | ||
Other information of micro switch RV type
| Rating: | 21A/16A/11A/6A, AC250V |
| Contact form | SPDT/SPST-NC/SPST-NO |
| Terminals: | #187/#250 England made/ Screw fixed terminal/Solder terminal |
| Maximum Operating Force | 50gf-400gf |
Ratings
| Model | Rated voltage | No-inductive load | Inductive load | ||||||
| Resistive load | Lamp load | Inductive load | Motor load | ||||||
| NC | NO | NC | NO | NC | NO | NC | NO | ||
| RV-21 | 250VAC | 21A | 3A | 12A | 4A | ||||
8VDC 30VDC 125VDC 250VDC | 21A 14A 0.6A 0.3A | 5A 5A 0.1A 0.05A | 12A 12A 0.6A 0.3A | 7A 5A 0.1A 0.05A | |||||
| RV-16 | 250VAC | 16A | 2A | 10A | 3A | ||||
8VDC 30VDC 125VDC 250VDC | 16A 10A 0.6A 0.3A | 4A 4A 0.1A 0.05A | 10A 10A 0.6A 0.3A | 6A 4A 0.1A 0.05A | |||||
| RV-11 | 250VAC | 11A | 1.5A | 6A | 2A | ||||
8VDC 30VDC 125VDC 250VDC | 11A 6A 0.6A 0.3A | 3A 3A 0.1A 0.05A | 6A 6A 0.6A 0.3A | 3A 3A 0.1A 0.05A | |||||
| RV-6 | 250VAC | 6A | 3A | 4A | -- | ||||
8VDC 30VDC 125VDC 250VDC | 6A 6A 0.4A 0.3A | 3A 3A 0.1A 0.05A | 4A 4A 0.4A 0.2A | -- | |||||
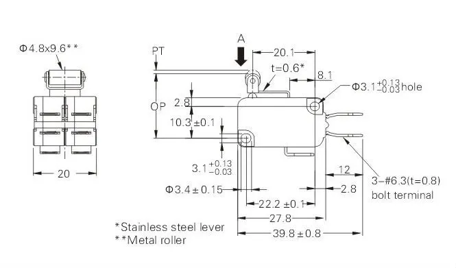
Demension size of micro switch RV type:

operating characteristics
Item | Characteristics |
OF max. | 4.9N {500gf} |
RF min | 1.47N {150gf} |
PT max | 1.6mm |
OT min | 0.8mm |
MD max | 0.6mm |
OP | 20.7±0.6mm |

Packing details- Vacuum package

WHY CHOOSE US?
1. More than 17 years experience on producing and developing micro switch, limit switch, toggle switch. Have our own brand "RENEW".
2. High quality raw materials, long life and secure switches.
3. Dust-free plant, strict quality control, provide you satisfactory switches.
4. CE, CCC, UL. ROHS Certificates.
5. Plentiful stocks, solve your urgent needs.
?FAQ
1.Q:What are your payment terms? Do you accept paypal?
A: 100% T/T in advance. We do not have a paypal account at present.
2. Q: Do you have a price list?
A: We do not have a published list, however you can contact customer service and they can supply you with the pricing that you need.
3. Q: What are your warranties?
A: 12 months from the date of invoice. Renew offer the free maintenance or replacement of malfuctioning products.
4. Q: Can you accept OEM?
A: Yes, need your trademark authorization letter.
5. Q: What about the package?
A: All use thickening export carton with "RENEW" mark, you specified mark or none.
6. Q: Do you provide sample?
A: Yes, free sample can provide to you, express freight collect.
7. Q: Do you accept small order quantity?
A: Yes, order quantity without limited.
8. Q: How about the delivery mothod?
A: In small quantity, we suggest by express DHL, TNT, FEDEX, UPS...... If not by sea or by air transport.
9.Q: Do you bear the freight charge?
A: We can offer you EXW, FOB or CIF price.
New products from manufacturers at wholesale prices